QR kood
Tooted
Võta meiega ühendust


Faks
+86-574-87168065

E-post

Aadress
Luotuo tööstuspiirkond, Zhenhai piirkond, Ningbo linn, Hiina
Power "relay race": Feed Mixer Gearbox is like a "relay captain" for power transmission. Pärast mootori käivitamist kantakse võimsus esmalt üle käigukasti sisendvõllile ja seejärel saavutatakse "kiiruse muutmine" kasti erineva suurusega hammasrataste grupi sidumise kaudu. Näiteks kui sisendvõll pöörleb 1000 korda minutis, võib väljundvõll pärast käigukasti ülekannet pöörata ainult 100 korda, kuid pöördemoment on oluliselt suurenenud. See tugev jõud edastatakse seejärel segamisvõllile, võimaldades segamislabadel sööta kiiresti segada, saades hõlpsalt hakkama "kõva kaubaga", näiteks kiudainerikka söödaga.
Täpne sidumine, vähendatud kadu: käigukasti käigud ei sobita juhuslikult. Raydafoni toodetud hammasrattad on täpselt välja arvutatud ja töödeldud hambakujuga ning istuvad omavahel kokku löömisel tihedalt nagu kaks pusletükki, mis sobivad omavahel ideaalselt. Nii on jõuülekandel väga vähe hõõrdumist, vähem energiakadu ja suurem osa võimsusest saab kasutada segamiseks. See on nagu söödamikserile "energiasäästliku südamiku" paigaldamine, mis muudab töö energilisemaks ilma energiat raiskamata.
Paindlik reguleerimine vastavalt vajadustele: erinevad söödad ja erinevad segamiskogused nõuavad erinevat kiirust. Feed Mixer käigukasti ilu seisneb selles, et seda saab paindlikult reguleerida. Käigukomplektide kombinatsiooni muutmisega on võimalik saavutada erinevaid kiiruse suhteid erinevate vajaduste rahuldamiseks. Kui soovite kiiresti silo ja kontsentraati segada, suurendage kiirust; kui soovid käsitseda hapraid tooraineid, alanda kiirust ja sega aeglaselt ning käigukast saab kõigega hakkama.
Stabiilne tugi ja vastupidavus: käigukasti kere on võrdväärne kogu ülekandesüsteemi "eestkostjaga". Kõrge tugevusega malmmaterjal, tugev ja põrutuskindel, suudab stabiilselt toetada sisemisi hammasrattaid ja laagreid. Sisemised laagrid on spetsiaalselt määritud sujuvaks pöörlemiseks ja kulumise vähendamiseks. Isegi kui sööda segamisel tekib vibratsioon, suudab käigukast tagada hammasrataste stabiilse haardumise, pidevalt stabiilse võimsuse ja pikendada kogu kasutusiga.
Raydafoni toote tootmisprotsessi on rangelt testitud ja see võib pärast tegelikku paigaldamist olla täielikult töökorras. Meie toodete valimine tähendab, et olete valinud meelerahu.
| Suhe | Sisend p/min |
Sisendvõimsus | Väljund | Mudel | Kommentaarid | |
| Kw | HP | Nm | ||||
| 16,1:1 | 540 | 44.7 | 60 | 11600 | G1-0314 |
|
| 19,4:1 | 540 | 26.1 | 35 | 8600 | G1-0514 |
|
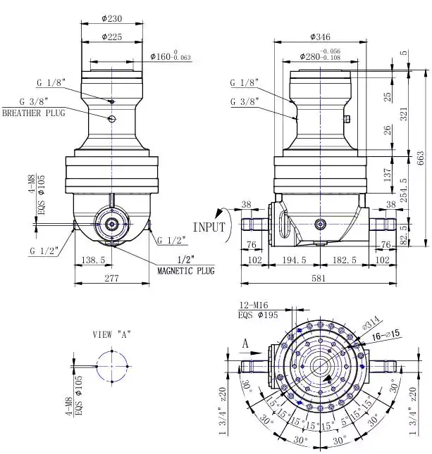
| Number | A | B | C | D | E | F | G | H | 1 | J | K | L | M | N | ||||||||||||||||||
| 1 | ⌀200 h7 | ⌀278 | 12-M16 EQS⌀245 | 15 | 25 | ⌀280 f7 | ⌀380 | 12-M16 |
|
26 | 30 | 353 | 300 | 785 | ||||||||||||||||||
| 2 | ⌀200 h7 | ⌀278 | 12-M16 EQS⌀245 | 15 | 25 | ⌀280 f7 | ⌀380 | 12-M16 |
|
26 | 30 | 353 | 402.5 | 857.5 | ||||||||||||||||||
| 3 | ⌀278 h8 | ⌀345 | 15-M16 EQS⌀314 | 8 | 25 | ⌀348 h8 | ⌀385 | 12-⌀17 | 2-M18 | 10.5 | 29 | 351 | 321.5 | 774.5 | ||||||||||||||||||
| 4 | ⌀278 h8 | ⌀345 | 15-M16 EQS⌀314 | 8 | 25 | ⌀348 h8 | ⌀385 | 12-⌀17 | 2-M18 | 10.5 | 29 | 351 | 394 | 847 | ||||||||||||||||||
| 5 | ⌀154,8 h8 | 250 | 12-M20*1,5 EQS⌀205 | 12 | 39 | ⌀348 h8 | ⌀385 | 12-⌀17 | 2-M18 | 10.5 | 29 | 354.5 | 321.5 | 778 | ||||||||||||||||||
| Suhe | sisend p/min |
Sisendvõimsus | Väljund Nm |
Sisendvõll | Kommentaarid | |||||||||||||||||||||||||||
| kW | HP | |||||||||||||||||||||||||||||||
| 13,4:1 | 540 | 85.8 | 115 | 17984 | X |
|
||||||||||||||||||||||||||
| 14,6:1 | 540 | 70.8 | 95 | 16187 | X |
|
||||||||||||||||||||||||||
| 16,1:1 | 540 | 63.4 | 85 | 15971 | X |
|
||||||||||||||||||||||||||
| 18,2:1 | 540 | 44.7 | 60 | 12744 | X |
|
||||||||||||||||||||||||||
| 21,1:1 | 540 | 37.3 | 50 | 12312 | X |
|
||||||||||||||||||||||||||
| 25,9:1 | 1000 | 82 | 110 | 17954 | X |
|
||||||||||||||||||||||||||
| 28,3:1 | 1000 | 67.1 | 90 | 16051 | X |
|
||||||||||||||||||||||||||
Terasest "kere" on ülimalt vastupidav: see käigukast on valmistatud paksendatud ülitugevast malmist ja kogu kast on sama tugev kui paagi kest. Olgu selleks silo segamisel tekkinud niiske keskkond või granuleeritud sööda käitlemisest põhjustatud tugev vibratsioon, talub see seda stabiilselt. Sisemised hammasrattad on karburiseeritud ja karastatud ning hambapinna kõvadus on sama kõrge kui HRC58. Kulumiskindlus on 3 korda tugevam kui tavalistel hammasratastel. Seda on kasutatud pidevalt viis-kuus aastat tolmustes ja suure koormusega farmides ning jõudlus on endiselt "võrgus" ja paranduste arv on väga väike.
Jõuülekanne "zero waste": disain on täis leidlikkust! Hammasrataste ühendamise täpsus ulatub juuste tasemeni ja jõuülekande efektiivsus ületab 95%. Teistel käigukastidel võib segamise ajal palju jõudu "ära libiseda", kuid meie TMR Mixer EP RMG jaoks mõeldud Feed Mixer käigukast saab kasutada kogu tera mootori võimsust. Sama 5 tonni sööda segamisel võib meie käigukasti kasutamine olla 15 minutit kiirem ja säästa 20% elektriarvetest, säästes põllumeeste raha.
"Universaalne kohanemisvõime" on ülimurevaba: olgu tegemist lihtsa segistiga väikeses talus või hiiglasliku seadmega suures söödatehases, seda käigukasti saab sujuvalt ühendada. The speed ratio can be freely adjusted from 2:1 to 15:1, and roughage, concentrate feed, and mixed feed can be mixed however you want. Installation is also easy, and there is no need to make major changes to the equipment. Ordinary workers can get it done in half an hour according to the instructions, which is especially suitable for farmers who are in a hurry. "Intelligent protection" is super considerate: The gearbox has a built-in overload protection device. Kui segamiskoormus on liiga suur, "seiskub" see automaatselt, et vältida hammasrataste kahjustamist, mis mitte ainult ei kaitse masinat, vaid hoiab ära ka ohutusõnnetused. Lisaks on konstruktsioonilahendus mõistlik. You can change a bearing or repair a gear by opening the box. It is not as troublesome as dismantling a "Russian doll". The downtime and maintenance time is greatly shortened, ensuring that the farm production does not stop.
As an overseas customer, I really want to say thank you to Raydafon! Teie söödamikseri käigukasti on väga lihtne kasutada. Since it was installed, the equipment has been running very smoothly, and the working efficiency is much higher than before. The gearbox is made of solid and durable materials, and it is easy to install and maintain. It has solved the old problems we had on our previous equipment. I have to praise the after-sales service in particular. We encountered some small questions when using it, and you quickly figured it out. See on väga usaldusväärne. See koostöökogemus on tõesti hea. I have recommended your products to my peers, and I look forward to continuing cooperation in the future! ----- James Carter
Hei, mina olen David Johnson, Raydafoni klient. Ostsin teie Feed Mixer käigukastid varem ja seda on tõesti suurepärane kasutada! After installing this gearbox, our feed mixer runs much smoother than before, and the efficiency has been improved. Varem muretsesin seadmete kinnikiilumise pärast, aga nüüd ei pea ma selle pärast üldse muretsema. Kõige rohkem väärtustab mind see, et see on väga vastupidav, materjal tundub soliidne ja igapäevane hooldamine pole tülikas. Just tighten a few screws and check the oil level, unlike the previous equipment that needs to be tossed every few days. Viimati tekkis mul siin tegutsedes väikseid küsimusi, saatsin teie müügijärgsesse teenindusse meili ja sain vastuse samal päeval. Insener joonistas ka skemaatilise diagrammi, et õpetada mulle, kuidas seda reguleerida. See teenus on suurepärane! Kui aus olla, siis ma räägin teie toodetest sageli kolleegidega, kui koos õhtust söön. Head asjad peaksid olema rohkematele inimestele teada. Loodan teiega edaspidi koostööd teha ja soovin, et teie ettevõte muutuks üha populaarsemaks!
Minu nimi on Michael Brown. Esimest korda teie Feed Mixer käigukastid ostsin veidi kõhklevalt, enne ju sain ka teiste toodetega petta, aga peale peaaegu poolaastast kasutamist annan talle tõesti pöidla pihku! Selle käigukasti müra on palju väiksem kui varem. Before, it was like thunder when it was turned on, but now I don’t need to shout when talking in the workshop. Kõige üllatavam on efektiivsus. It used to take 40 minutes to mix a batch of feed, but now it can be done in 25 minutes, and the conveyor belt has also increased its speed. Eelmisel nädalal vilkus kaks korda käigukasti märgutuli. I wondered if there was a problem, so I called your after-sales service. The girl who answered the phone was very patient. She let me take a few photos and guided me to clean the dust from the sensor on the spot. See ei võtnud rohkem kui 10 minutit. Käigukast on valmistatud tugevatest materjalidest. Väliskest tundub raske. Last time, a forklift accidentally rubbed it, leaving a little mark, but the parts inside were not affected. I kept talking about your products when I was drinking with the farmer next door. Ta plaanib ka järgmisel kuul ühe tellida! Ootan põnevusega teie uusi tarvikuid tulevikus ja soovin, et saaksite aina tugevamaks ja tugevamaks!
Aadress
Luotuo tööstuspiirkond, Zhenhai piirkond, Ningbo linn, Hiina
Tel
E-post


+86-574-87168065


Luotuo tööstuspiirkond, Zhenhai piirkond, Ningbo linn, Hiina
Autoriõigus © Raydafon Technology Group Co., piiratud kõik õigused reserveeritud.
Links | Sitemap | RSS | XML | Privaatsuspoliitika |
