QR kood
Tooted
Võta meiega ühendust


Faks
+86-574-87168065

E-post

Aadress
Luotuo tööstuspiirkond, Zhenhai piirkond, Ningbo linn, Hiina
Kui teil on tegemist masinatega, nagu pumbad, mis liigutavad vedelikke kogu päeva, ventilaatorid, mis hoiavad ruume ventileerituna, või tekstiiliseadmed, mis töötavad katkematult – vajate haakest, mis on piisavalt paindlik, et taluda väikseid nihkeid, kuid piisavalt tugev, et pöördemomenti liikumine oleks ühtlane. Täpselt selleks on loodud Raydafoni NL-tüüpi nailonist hammasratta painduv ühendus. See talub kuni 4 mm aksiaalset kõrvalekallet ja 2 kraadi nurganihet, nii et isegi kui teie võllid pole ideaalselt joondatud, hoiab see teie käigu tõrgeteta töös.
Meil on mudeleid alates NL1 kuni NL10, nii et need sobivad peaaegu igaks kergeks ja keskmise koormusega tööks. Pöördemomendi võimsus on vahemikus 40 N·m kuni 3150 N·m ja ava läbimõõt on 6 mm kuni 100 mm – pole vaja otsida liiga suurt või liiga väikest suurust. Selle nailonist käigukasti painduva siduri eristab silma selle ehitus: ülitugev nailonhülss, mis on ühendatud terasest rummudega. See kombinatsioon tähendab, et see töötab vaikselt ja te ei pea seda peaaegu hoolduseks puudutama – ei toimu pidevaid kontrolle ega parandusi, mis aeglustavad. See on tööstusmasinate paindlike hammasratasmuhvide valik ja kui töötate spetsiaalselt pumpadega, on see üks kõige usaldusväärsemaid nailonhülssiga ühendusi pumpade jaoks. Lisaks sobib selle kompaktne disain kitsastesse seadistustesse ja see töötab sujuvalt vahemikus -20 °C kuni +70 °C – olenemata sellest, kas teie tööruum on jahe või soe.
Raydafonis valmistame need liitmikud Hiinas ja järgime rangelt ISO 9001 standardeid – iga osa kontrollitakse, et veenduda, et see on vastupidav ja kasutusvalmis. Nailonhülss pole mitte ainult tugev, vaid ka mittejuhtiv ja korrosioonikindel. See on mängumuutus niiskete ruumide või kemikaalidega piirkondade jaoks, kus muud ühendused võivad roostetada või lühisesse minna – see toimib kauem. Ja selle lihtne struktuur muudab kokkupanemise ja lahtivõtmise imelihtsaks: pole vaja keerulisi tööriistu, vaid kiire töö, kui peate selle välja vahetama või hooldust tegema. Seetõttu on see parim valik kohandatud nailonist hammasrataste sidurite jaoks – me saame seda kohandada vastavalt teie konkreetsele seadistusele – ja see on üks vastupidavamaid painduvaid hammasrattaühendusi tekstiiliseadmete jaoks, mis peab vastu kudumis- või ketrusmasinate pidevale liikumisele.
Pakume igasuguseid suurusi ja võlli konfiguratsioone, nii et saate oma masinale kohandatud haakeseadise – mitte ühesuuruse valiku. Ja me hoiame hinna konkurentsivõimelisena, et te ei peaks kvaliteedi nimel üle kulutama. Ettevõtete jaoks üle maailma tähendab see vähem seisakuid (kuna seda on lihtne paigaldada ja hooldada) ja paremat seadmete tõhusust – täpselt seda, mida vajate, et toimingud toimiksid sujuvalt.
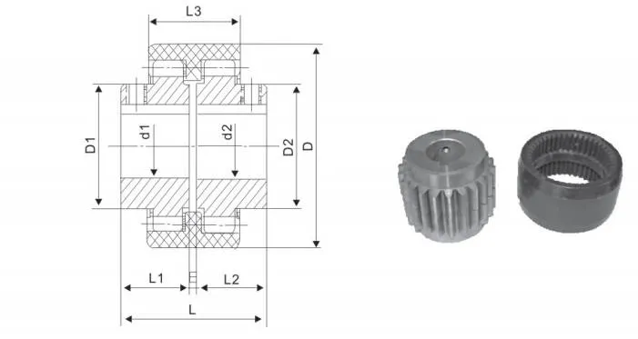
NL-tüüpi nailonist hammasratta painduva siduri põhitööloogika tugineb pöördemomendi ülekandmiseks hammasratta hammastele, samas kui sees olev nailonhülss kui peamine painduv komponent ei suuda mitte ainult tõhusalt kompenseerida võllisüsteemi nihkeid, vaid mängida ka olulist rolli löökide neelamisel. Selles konstruktsioonis on kaks väliste hammastega rummu ühendatud sisseehitatud nailonist sisemise käiguhülsi kaudu. See kombinatsioon ei taga mitte ainult tõhusat jõuülekannet mehaanilistes süsteemides, vaid vähendab oluliselt ka töötamise ajal tekkivat vibratsiooni ja lööke. See disainieelis on eriti ilmne NL-tüüpi nailonülekandega painduvate haakeseadiste rakendusjuhtudel, mida tuleb kohandada väikeste ja keskmise suurusega seadmetega.
Kui veovõll edastab pöördemomendi ühele rummudest, haakuvad rummu välised hambad täpselt nailonist sisemise hammasrattahülsi sisemiste hammastega ja seejärel edastab nailonist sisemine hammasrattahülss toite sujuvalt teisele veovõlliga ühendatud rummule. Isegi töötingimustes, kus võllisüsteemis esineb nurk-, paralleel- või aksiaalne nihe, suudab see ülekandemehhanism siiski tagada seadme stabiilse töö. Seetõttu on töökindlaid painduvaid hammasrataste sidurilahendusi nõudvates valdkondades, nagu automatiseeritud tootmisliinide ülekandesüsteemid, pumbaseadmete toiteühendused ja konveierite ajamiseadmed, eelistatud toode NL-tüüpi nailonist hammasrattaga painduv sidur.
NL-tüüpi nailonülekande painduvas haakeseadis kasutatud nailonmaterjalil endal on suurepärane elastsus ja summutusomadused, mis mitte ainult ei vähenda sellega ühendatud mehaaniliste seadmete kulumist, vaid pikendab ka kogu ülekandesüsteemi kasutusiga. Professionaalse käigukastide tootjana valib Raydafon NL-tüüpi haakeseadiste tootmisel täiustatud materjale ja optimeerib tootmisprotsessi, võimaldades toodetel säilitada suurepärase jõudluse keerulistes töötingimustes erinevates tööstusharudes. Näiteks muutuva koormusega stsenaariumide korral võib Raydafoni toodetud NL-tüüpi nailonist käigukasti painduv sidur tugineda oma suurepärasele nihke kompenseerimise võimele, et vältida võllisüsteemi valest joondamisest põhjustatud ülekandetõrkeid ja vähendada seadmete seisakuid.
Selleks, et NL-tüüpi nailonist hammasratta painduv sidur säilitaks stabiilse töötõhususe, on igapäevane hooldus hädavajalik, mille hulgas on võtmelüliks hammasratta hammaste osade regulaarne määrimine. Mõistlik määrimine võib vähendada hõõrdekadu hammasratta hammaste ühendamisel, parandada veelgi haakeseadise tööstabiilsust ja vähendada rikete tõenäosust. Üldiselt on NL-tüüpi nailonkäigulise painduva haakeseadise tööpõhimõte saavutada tugev pöördemomendi ülekanne, võttes samal ajal arvesse ülekandesüsteemi paindlikkust ja stabiilsust jäiga rummu ja painduva nailonhülsi sünergilise mõju kaudu. Kogenud käigukastide tarnijana kontrollib Raydafon alati toodete täpsust ja töökindlust rangete standardite järgi, et tagada klientidele erinevates tööstusharudes NL-tüüpi nailonist käigukastiga painduvad haakeseadised, millel on tugev kohanemisvõime ja kõrge vastupidavus.
NL-tüüpi nailonist hammasratta painduv ühendus on spetsiaalselt loodud suure jõudlusega rakenduste jaoks nõudlikes mehaanilistes stsenaariumides. See tagab stabiilse jõuülekande, kohandades samal ajal paindlikult võlli kõrvalekaldeid, muutes selle väga konkurentsivõimeliseks valikuks nailonhülsiga hammasrataste haakeseadiste kategoorias. Selle haakeseadise peamine disainilahendus seisneb selle ülitugevas nailonist ümbrises, mis mitte ainult ei anna haakeseadise suurepärase elastse deformatsioonivõimega, vaid suurendab oluliselt ka kogu struktuuri vastupidavust. See muudab selle eriti sobivaks kriitilise painduva nailonist varrukaga ühenduskomponendina tööstusseadmetes, mis töötavad pikka aega.
Pöördemomendi ülekandevõimsuse osas pakub NL-tüüpi nailonist käigu painduv sidur silmapaistvat jõudlust, täites hõlpsalt suure pöördemomendi koormusnõudeid. Olgu see raskeveokite tööpinkide, kaevandusmasinate või suuremahuliste konveieriseadmete puhul – mis kõik nõuavad jõuülekande suurt töökindlust –, töötab see stabiilselt, kehtestades end eelistatud suure pöördemomendiga nailonist käigukasti mudelina paljudes suure pöördemomendiga töötingimustes. Mehaanilise töö ajal esineva võlli ebaregulaarsuse probleemi lahendamisel näitab see paindlik nailonist käigukast ka suurepärast kohanemisvõimet. See suudab tõhusalt neelata ja kompenseerida nurk-, paralleel- ja aksiaalseid kõrvalekaldeid, vähendades sellega märkimisväärselt täiendavat pinget ühendatud võllidele ja aidates pikendada kogu ülekandesüsteemi kasutusiga. See funktsioon on eriti oluline tootmisseadmete puhul, mis nõuavad pikaajalist pidevat tööd.
Lisaks on NL-tüüpi nailonist hammasratta painduva siduri nailonmaterjalil oma olemuselt suurepärased lööke neelavad ja puhverdavad omadused. Seadme töö ajal saab see tõhusalt vähendada vibratsiooni ja löökide mõju, tagades ülekandesüsteemi sujuvama töö. Järelikult on see dünaamilistes töötingimustes ja sagedase vibratsiooniga muutunud paljude ettevõtete jaoks eelistatud lööke neelavast nailonist hammasrattaühenduse lahenduseks. Korrosioonikindluse osas läbivad selle haakeseadise metallkomponendid lisaks nailonhülsi suurepärasele keemilisele korrosioonikindlusele ka spetsiaalse töötluse, mis võimaldab stabiilset tööd niiskes, tolmuses või kergelt söövitavas keskkonnas. Võrreldes traditsiooniliste jäikade haakeseadistega, on sellel karmides töötingimustes parem kohanemisvõime, mis vastab täielikult tööstussektori nõuetele vastupidavate nailonist hammasrataste siduritele.
Kasutamise ja hoolduse seisukohast on NL-tüüpi nailonist käigukasti painduv sidur hooldusvaba konstruktsioon. See välistab vajaduse sagedase määrdeaine lisamise või reguleerimise järele, mis mitte ainult ei vähenda igapäevase hoolduse töökoormust, vaid vähendab ka ebaõigest hooldusest tingitud seadmete rikete ohtu. See kontrollib tõhusalt tegevuskulusid ja seisakuid, olles täiuslikult kooskõlas nende tööstusharude valikukriteeriumidega, mis tegelevad vähese hooldusega painduvate hammasrataste sidurite tõhusa ja vähese energiakuluga tootmisega. Samal ajal on selle üldine struktuur kerge ja kompaktne, mis hõlbustab lihtsat ja kiiret paigaldamist ja lahtivõtmist. Isegi piiratud ruumiga seadmete paigutuses saab selle kompaktse nailonist käigukasti kokkupaneku hõlpsalt lõpule viia, parandades veelgi seadmete paigaldamise ja hoolduse tõhusust.
Kokkuvõtteks võib öelda, et NL-tüüpi nailonist hammasratta painduva siduri integreerimine ülekandesüsteemi tagab seadmete stabiilsema ja tõhusama töötuge. Eelkõige täppistootmise valdkonnas, kus on vaja ülitäpset jõuülekannet, vastab see suure jõudlusega nailonhülsiga käigukast oma optimeeritud disainiga täielikult mitmetele ülekande täpsuse, töökindluse ja kohanemisvõime nõudmistele, olles oluline komponent seadmete üldise jõudluse parandamisel.
NL-tüüpi nailonist hammasratta painduv sidur töötab ülekande osana igasuguste mehaaniliste seadistuste jaoks, mis vajavad püsivat jõuülekannet. Silmapaistvaks teeb nailonhülss – see paindub täpselt nii, et neelab vibratsiooni ja parandab väikseid võlli kõrvalekaldeid, nii et see sobib suurepäraselt igaks käigukastide kasutamiseks, kus vajate usaldusväärset pöördemomendi liikumist, ilma et osad liiga kiiresti kuluksid.
Võtke näiteks tööstuslikud masinad. See ühendus on suurepärane mootorite ühendamiseks pumpade või kompressoritega. Kui need masinad töötavad, saadavad nad sageli äkilisi lööke läbi süsteemi, kuid NL-tüüpi nailonist käigu painduv ühendusliides leevendab seda mõju, aidates kogu seadistusel kauem vastu pidada. Ja konveieriliinidel – teate küll, neil, mis tehastes materjale lakkamatult liigutavad – hoiab see tööstuslik nailonhülssiga käiguliides asjad sujuvana isegi siis, kui koormus muutub. Erinevalt vanadest jäikadest siduritest, mis sageli lagunevad, vähendab see seisakuid ja raha, mida kulutate asjade parandamisele.
Ka auto- ja transpordimaailm kasutab seda, eriti veovõllide ja rooliosade jaoks. Sõiduautod ja veoautod peavad liikudes toime tulema paljude väänduvate vibratsioonidega, kuid see paindlik käiguliides autosõidukite jaoks neelab selle üles. See mitte ainult ei muuda sõidukit paremini, vaid ka ohutumalt – ei mingeid imelikke raputusi, mis paiskaks ära rooli ega kulutaks jõuülekannet.
Kui rääkida täppisülekandega siduritest, nagu CNC-masinad või tööstusrobotid, siis see haakeseadis on tõesti särav. Need masinad pöörlevad kiiresti ja vajavad ülitäpset liikumist, kuid isegi väikesed võlli kõrvalekalded (nt nurgad või paralleelsed nihked) võivad asjad segamini ajada. NL-tüüpi nailonist hammasratta painduv haakeseadis lahendab need probleemid, hoides samas sammu suure kiirusega. Seetõttu otsivad paljud automaatseid koosteliine ehitavad ettevõtted seda nailonist hammasrattaühendust täppis-CNC-seadmete jaoks, kui neil on vaja kohandatud seadistusi.
Leiate selle ka HVAC-süsteemides ja veepuhastusjaamades. Nendes kohtades kasutatakse palju ventilaatoreid ja puhureid ning kui need osad liiga palju vibreerivad, lähevad need valjuks ja lähevad katki. See vibratsiooni summutav painduv HVAC-ventilaatorite ühenduslüli hoiab müra madalal ja seadmed töötavad ühtlaselt – kütte-/jahutus- või veetöötlusprotsessides ei teki ootamatuid katkestusi.
Kokkuvõttes on NL-tüüpi nailonist hammasratta painduv haakeseade eelarvesõbralik valik peaaegu igale tööstusele. See on karm, kergesti paigaldatav ja teeb töö ära. Kui otsite usaldusväärset tööstusliku käigukasti haakeseadise tarnijat, võib Raydafon pakkuda teile kohandatud valikuid, mis vastavad täpselt teie vajadustele – nii saate parima jõudluse ja kauakestva osa.
⭐⭐⭐⭐⭐ Wang Lei, mehaanikainsener, Guangzhou Machinery Co., Ltd.
Meie koosteliinidel on juba mõnda aega olnud Raydafoni NL-tüüpi nailonist hammasratta painduv sidur ja see on pidevalt toiminud – palju usaldusväärsem kui mõned teised meie proovitud sidurid. Nailonist käigukasti disain on siin silmapaistev: see liigutab pöördemomenti sujuvalt, tõmblevaid ülekandeid ei toimu ja see vähendab vibratsiooni nii palju, et saate masinate töötamises tegelikult vahet teha.
Paigaldamine oli ka imelihtne. Meie varustuses pole palju lisaruumi, kuid see haakeseadis sobib ideaalselt kohe karbist välja võttes – pole vaja midagi muuta. See on pidevalt töötanud ja kulumisjälgi pole peaaegu näha; see vastupidavus tähendab, et me ei peata tootmist, et seda nii sageli parandada või asendada. Kokkuvõttes on see kindel ja kulutõhus valik, mis teeb täpselt seda, mida me vajame.
⭐⭐⭐⭐⭐ John Smith, tehasejuht, Chicago Industrial Solutions, USA
Vahetasime oma vana metallmuhvi Raydafoni NL Type Nylon Geari vastu oma Chicago tehases ja muutus toimus ööl ja päeval – seda oli tunda kohe, kui masinad käivitasime. Vibratsioon, mis vanasti lõi osad lahti? Läinud. Vanast ühendusest tulenev vali sumin? Nii palju vaikituna tundub põrand rahulikum. Ja jõuülekanne? Nii sujuv, kui olla saab, isegi kui sõidame suure koormusega.
Veelgi enam, see saab joondamisvigadega hakkama palju paremini kui kunagi varem tehtud metall – seda ei pea enam iga nädal kohandama, et asjad õigel teel püsiks. Ka Raydafon sai selle meile kiiresti kätte; kohaletoimetamine oli graafikus ja kvaliteet oli tipptasemel – ei mingeid odavaid osi ega kehva tööd. Olen sellest juba rääkinud mõnele teisele tehase juhile; see on selline toode, mille kohta soovite sõna edasi anda.
⭐⭐⭐⭐⭐ Anna Müller, hooldusinspektor, Müncheni ehitus, Saksamaa
Panime mõni kuu tagasi Raydafoni NL-tüüpi siduri oma kiirmasinatesse ja see on meie meeskonna jaoks muutnud. Nailonist hammasratta materjal on nutikas kõne – see ei kulu nii kiiresti kui metall, nii et me ei vaheta osi nii sageli ja see on palju vaiksem. See võib tunduda väike, kuid vaiksem pood tähendab meeskonnale vähem väsimust ja vähem segajaid varustuse kontrollimisel.
See on piisavalt paindlik, et taluda kiirel jooksmisel kaasnevaid kergeid nihkeid, kuid siiski piisavalt tugev, et pidada vastu surve all – ei paindu ega purune. Ka paigaldamine oli lihtne; meie tehnikud panid selle tunni ajaga valmis, ilma keeruliste juhisteta. Pärast selle paigaldamist on meil masinaid palju vähem seisatud ja kõik toimib sujuvamalt. Raydafon on tõestanud, et nad on tarnija, kellele saame loota – ei mingeid üllatusi, vaid head tooted.
⭐⭐⭐⭐⭐ Carlos Martínez, operatiivdirektor, Madrid Manufacturing Corp., Hispaania
Raydafoni NL Type Nylon Gear Flexible Coupling on täpselt see kvaliteetne toode, mida otsisime. Lisasime selle oma tootmisliinile, lootes vähendada vibratsiooni ja suurendada tõhusust – ja see toimis mõlemas osas, küsimusi ei esitatud. Nailonvarustus annab sellele täpselt paraja paindlikkuse, et asjad sujuks, kuid see ei ohverda tugevust – isegi siis, kui pingutame rangete tähtaegade järgimise nimel.
See on ka kompaktne, mis on meie seadistuse jaoks suur pluss; meil pole palju lisaruumi ja see haakeseadis sobib hästi ilma teisi osi tunglemata. Oleme seda kasutanud juba kuid ja probleeme pole olnud – pole rikkeid ega veidraid helisid, vaid ühtlane jõudlus. Toote enda ja Raydafoni suurepärase teeninduse vahel oleme enam kui rahul. See on hoidja.
Aadress
Luotuo tööstuspiirkond, Zhenhai piirkond, Ningbo linn, Hiina
Tel
E-post


+86-574-87168065


Luotuo tööstuspiirkond, Zhenhai piirkond, Ningbo linn, Hiina
Autoriõigus © Raydafon Technology Group Co., piiratud kõik õigused reserveeritud.
Links | Sitemap | RSS | XML | Privaatsuspoliitika |
