QR kood
Tooted
Võta meiega ühendust


Faks
+86-574-87168065

E-post

Aadress
Luotuo tööstuspiirkond, Zhenhai piirkond, Ningbo linn, Hiina
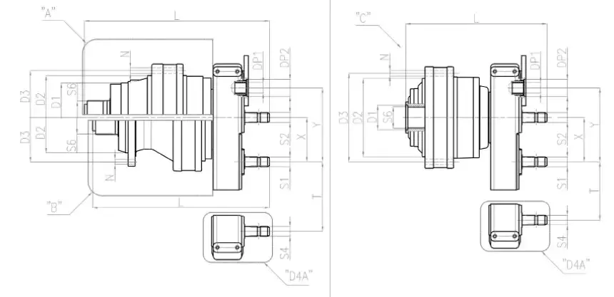
| Mudel | PG-702 | PG-1002 | PG-1602 | PG-1802 | PG-2502 | PG-3002 | PG-3503 | |||
| Suhe i | 18.2 | 18.3 | 13,4-33,6 | 15,7-29,9 | 14,6-20-36,2 | 45.3 | 53.7 | |||
| Väljundi tüüp | B | B | B | C | B | C | A | C | C | C |
| D1 |
|
|
|
88 HB |
|
88 HB | 245F7 | 102H7 | 102H7 | 122HF |
| D2 | 200F7 | 230F7 | 230F7 | 278F7 | 230F | 278F7 | 340F7 | 340F7 | 340F7 | 340F7 |
| D3 | 250 | 295 | 295 | 314 | 295 | 314 | 370 | 370 | 370 | 370 |
| N | ∅15×N°12 | ∅17 × N°10 | ∅17 × N°10 | ∅15×N°18 | ∅17 × N°10 | ∅15×N°18 | ∅17 × N°15 | ∅17 × N°15 | ∅17 × N°15 | ∅17 × N°15 |
| L | 646.5 | 627.5 | 693 | 490.5 | 714 | 499.5 | 798.5 | 595.5 | 601 | 680.5 |
| S6 | 70*64 DIN5482 | 80*74 DIN5482 | 100*94 DIN5482 | 80*74 DIN5482 | 100*94 DIN5482 | 80*74 DIN5482 | 100*94 DIN5482 | 100*94 DIN5482 | 100*94 DIN5482 | 120*22*5 DIN5482 |
| S1 | 1" 3/8 Z6 | 1" 3/8 Z6 | 1" 3/8 Z6 | 1" 3/8 Z6 | 1" 3/8 Z6 | 1" 3/8 Z6 | 1" 3/8 Z6 | 1" 3/8 Z6 | 1" 3/8 Z6 | 1" 3/8 Z6 |
| S2 | 1" 3/8 Z6 | 1" 3/8 Z6 | 1" 3/8 Z6 | 1" 3/8 Z6 | 1" 3/8 Z6 | 1" 3/8 Z6 | 1" 3/8 Z6 |
|
|
|
| DP1 | 40*36 DIN5482 | 40*36 DIN5482 | 40*36 DIN5482 | 40*36 DIN5482 | 40*36 DIN5482 | 40*36 DIN5482 | 40*36 DIN5482 | 40*36 DIN5482 | 40*36 DIN5482 | 40*36 DIN5482 |
| DP2 | 60,3 HB | 60,3 HB | 60,3 HB | 60,3 HB | 60,3 HB | 60,3 HB | 60,3 HB | 60,3 HB | 60,3 HB | 60,3 HB |
| X | 157 | 157 | 157 | 157 | 157 | 157 | 157 | 157 | 157 | 157 |
| Y | 262 | 262 | 262 | 262 | 262 | 262 | 262 | 262 | 262 | 262 |
| S4 |
|
|
|
1" 3/8 Z6 |
|
1" 3/8 Z6 |
|
1" 3/8 Z6 | 1" 3/8 Z6 | 1" 3/8 Z6 |
| T |
|
|
|
156.8 |
|
156.8 |
|
156.8 | 156.8 | 156.8 |
| Mudel | Suhe i | D1 | D2 | D3 | D4 | N | E |
| PG-1602 | 22.14-33.6 | 80*74 DIN5482 | 225 F7 | 278 F7 | 314 | ∅15×N°18 | SAE B/SAE C |
| PG-2502 | 20-36,2 | 100*94 DIN5482 | 245 F7 | 340F7 | 370 | ∅17 × N°15 | SAE B/SAE C |
| Mudel | Suhe i | D1 | D2 | D3 | N | E |
| PG-161 | 3,55-2,49-5,60 | 40*36 DIN5482 | 110 F7 | 165 | ∅10,5 × N°8 | SAE A/SAE B/SAE BB/OMTS |
| PG-251 | 4.13-5.17-6.00 | 58*53 DIN5482 | 150 F7 | 195 | ∅13 × N°10 | SAE A/SAE B/SAE BB/OMTS |
| PG-501 | 4.13-5.17-6.00 | 58*53 DIN5482 | 150 F7 | 195 | ∅13 × N°10 | SAE A/SAE B/SAE BB/OMTS |
ArengutPG-seeria söödamikseri planetaarkäigukasttuleneb sügavast sissevaatest traditsiooniliste segamisseadmete ülekandesüsteemi valupunktidesse. Selle kolme planetaarülekandega hajutatud ülekandearhitektuur ei ole lihtne mehaaniliste konstruktsioonide virnastamine, vaid pingetingimuste korduva simuleerimise abil erinevates toorainesuhetes määratakse lõpuks kindlaks käigumooduli, hamba laiuse ja spiraali nurga kuldne kombinatsioon. Näiteks maisivarte ja sojajahu segude töötlemisel võib selle ainulaadne spiraalhammaste disain vähendada materjali kinnikiilumise ohtu 15%. Kõrgtäpse lihvimisprotsessiga kontrollitakse hambapinna karedust alla Ra0,8, mis suurendab ülekande efektiivsust 8% -10% võrreldes traditsiooniliste käigukastidega. Söödatehase mõõdetud andmed näitavad, et 12 tundi pidevat töötamist päevas on selle käigukasti energiakulu 14% väiksem kui sarnastel toodetel ning segamisvõlli pöördemomendi kõikumise amplituud väheneb 22%, mis parandab oluliselt segamise ühtlust.
See käigukast on materjalide ja protsesside poolest suunatud kõvade osakeste, nagu liiv, kivi ja metallipuru, jaoks, mida sageli segatakse sööda toorainega. Käigukasti korpus on valmistatud 20CrMnTi legeerterasest. Pärast karastusravi karburiseerimissügavusega 1,2 mm koos madala temperatuuriga karastusprotsessiga suureneb hambajuure paindeväsimustugevus üle 850 MPa. Ekstreemsetes töötingimustes, milleks on mittetäielik toorme sõelumine rantšos, on selle täkketõmbumiskindlus vastu pidanud pidevale 500-tunnisele liiva ja kruusa löögikatsele ning hambapinnale on ilma koorumiseta tekkinud vaid kerged kriimud. Samal ajal, optimeerides ribiplaadi paigutust ja planetaarkanduri laagri eelkoormust, suudab käigukast siiski säilitada ülekande täpsust, kui sellele mõjub 1,5-kordne nimipöördemoment, vältides ülekoormusest tingitud käigu valesti joondamise või hammaste purunemise ohtu.
Käigukasti intelligentne disain tuleneb söödatöötlemise tööstuse töö ja hoolduse valupunktide sügavast mõistmisest. Selle sisseehitatud intelligentne seiremoodul ei ole lihtne andmekoguja, vaid temperatuuri, vibratsiooni, voolu ja muude signaalide ristanalüüs läbi algoritmimudeli. Näiteks kui tuvastatakse, et laagrite temperatuur on ebatavaliselt kõrge, ühendab süsteem koormusajaloo andmed, et teha kindlaks, kas see on ebapiisav määrimine või laagrite kulumine, ja avaldab konkreetseid hooldussoovitusi. Pärast selle süsteemi rakendamist vältis söödaettevõte kolm ettenägematut seisakut, vahetades eelnevalt määret ja reguleerides laagrite kliirensit ning seadmete üldine efektiivsus (OEE) tõusis 18%. Lisaks sai selle modulaarse kiirkinnitusstruktuuri disain inspireeritud esiliini hoolduspersonali tagasisidest. Planeedikomplekti üldise asendamise lõpuleviimiseks tuleb lahti keerata vaid neli polti ja hooldusaeg lüheneb traditsioonilise konstruktsiooni 4 tunnilt 1,5 tunnini.
Keskkonnakaitse ja energiatõhususe optimeerimise seisukohalt tuleneb käigukasti uuenduslik disain söödatööstuse vajaduste täpsest mõistmisest kulude vähendamiseks ja efektiivsuse suurendamiseks. Selle soojuse hajumise struktuur ei suurenda pimesi soojuse hajumise pindala, vaid optimeerib vedeliku mehaanika simulatsiooni abil soojuse hajumise ribide spiraalset nurka ja vahekaugust, nii et loomulikku soojuse hajumise efektiivsust suurendatakse 30%, vähendades sellega jahutusventilaatori energiatarbimist. Määrimissüsteemis kasutatakse kahetsoonilist õlivarustuse tehnoloogiat, et dünaamiliselt reguleerida õli mahtu vastavalt koormusele, vältides traditsiooniliste käigukastide "üleujutamist" ja vähendades määrdeainekulu 25%. Euroopasse eksporditud sööda tootmisliini tegelik mõõtmine näitab, et käigukasti müratase on EL-i standardist 5 dB madalam ning selle energiatõhususe tase ulatub IE3 standardini, aidates klientidel edukalt läbida importiva riigi energiatõhususe sertifikaadi. See disainikontseptsioon, mis seob tehnilised detailid sügavalt kommertsväärtusega, on toote turu tunnustuse võitmise võti.
Tere! Olen Elena García, klient Hispaaniast Barcelonast. Oleme kasutanud teie planetaarkäigukasti oma fotogalvaanilise paneeli jälgimissüsteemis poolteist aastat. See varustus on täielikult lahendanud meie probleemi päikesepaiste jälgimise täpsusega – varem kasutatud käigukasti jälgimishälve oli igal hommikul ja õhtul alati umbes 5 kraadi, samas kui teie kooderiga planetaarkäigukast suudab jälgimisvea kontrollida 0,5 kraadi piires. Nüüd on fotogalvaaniliste paneelide keskmine päevane elektritootmine varasemaga võrreldes kasvanud 18% ja isegi elektriarve on oluliselt väiksemaks muutunud. Nüüd on see planetaarkäigukast mereäärses fotogalvaanilises elektrijaamas vastu pidanud soolapritsmete ja tugevate tuulte proovile. Käigukasti korpuse korrosioonivastane kate pole näidanud mahakukkumise märke ning sisemist käigukastiõli ei pea enam nii sageli vahetama kui varem. Ootan teiega tulevikus koostööd rohkemates taastuvenergiaprojektides!
Olen Hans Müller, mehaanikainsener Saksamaalt. Pool aastat tagasi ostsin Raydafoni planetaarkäigukastid tootmisliini uuendamiseks. Peale nende kasutamist ületasid need mu ootused! Seadmed töötavad suurel koormusel 16 tundi päevas, et töödelda kõrge viskoossusega tooraineid. Käigukasti müra väheneb 20%, ülekande efektiivsus on stabiilselt üle 94%, temperatuuri tõusu kontrollitakse alati 25 °C piires ja vastupidavus on vanade mudelite omast palju parem. Teie meeskond oli professionaalne ja tõhus kogu protsessi vältel, alates varajasest parameetrite optimeerimisest, tihendusstruktuuri reguleerimisest kuni kaugsilumise juhisteni. Üksikasjalik disain (nt tolmukindlad tihendid ja standardsed kinnitusavad) peegeldab veelgi sügavat arusaamist tegelikest töötingimustest. Raydafoni tootekvaliteet ja teenindustase panid mind selle kõhklemata pikaajaliste tarnijate nimekirja lisama ja soovitan seda kindlasti oma kaaslastele!
Olen nii palju aastaid rantšost pidanud ja palju käigukaste vahetanud. Alles siis, kui kasutasin Raydafoni planetaarkäigukasti, sain tõeliselt aru, mida tähendab olla muretu! Varem kasutatud seadmed olid silo segamisel alati alajõulised ja tihti libisesid käigud. Ma ei oodanud, et teie planetaarkäigukast nii võimas on. Teie toodet on palju lihtsam paigaldada, kui ma arvasin, ja seda on ka lihtne hooldada. Viimati tegin ise igapäevase ülevaatuse, avastasin, et käigukast on väga hästi tihendatud ja õlilekkest polnud üldse jälgegi. Kindlasti toetan sind ka edaspidi ja soovitan oma rantjeest sõpradele! ---- Mark Johnson
Aadress
Luotuo tööstuspiirkond, Zhenhai piirkond, Ningbo linn, Hiina
Tel
E-post


+86-574-87168065


Luotuo tööstuspiirkond, Zhenhai piirkond, Ningbo linn, Hiina
Autoriõigus © Raydafon Technology Group Co., piiratud kõik õigused reserveeritud.
Links | Sitemap | RSS | XML | Privaatsuspoliitika |
