QR kood
Tooted
Võta meiega ühendust


Faks
+86-574-87168065

E-post

Aadress
Luotuo tööstuspiirkond, Zhenhai piirkond, Ningbo linn, Hiina
Raydafoni SWC-DH lühike painduv keevitustüüp universaalne haakeseadis on loodud valesti joondatud võllide ühendamiseks raskeveokite puhul – mõelge valtsimisseadmetele, tõstukidele ja terasetöötlemismasinatele. See on kompaktne lühike painduv universaalne ühendus, mille keerme läbimõõt on 45–390 mm. Isegi kui võllid on kuni 25 kraadi võrra välja lülitatud (nurgavike), liigutab see pöördemomenti endiselt tõhusalt – maksimaalselt 1000 kN·m juures, mis sobib täpselt raskete seadmete võimsusvajadustega.
Valmistame selle ülitugevast 35CrMo terasest ja lisame neli nõellaagrit, nii et see peab vastu suure koormuse korral. Seetõttu on see hea valik tööstuslike masinate universaalsete haakeseadiste jaoks ja töötab suurepäraselt raskete seadmete keevitatud universaalsete siduritena kohtades, kus koormus püsib pidevalt kõrgel. Selle lühipainduv disain sobib suurepäraselt ka masinatele, millel on vähe ruumi aksiaalseks liikumiseks – see tagab karmi jõuülekande rasketes tööstusruumides.
Raydafon on Hiinas asuv tootja, kellel on ISO 9001 sertifikaat, seega järgime rangeid kvaliteedieeskirju iga universaalse SWC-DH siduri puhul. Ristvõll saab korrosiooni vastu võitlemiseks kroomitud plaadi, nii et see kestab isegi karmides tingimustes. Keevitatud ike muudab paigaldamise ka lihtsamaks – lihtsalt joondage võllid õigesti ja see töötab kõige paremini. Leiate selle metallurgia-, kaevandus- ja kraanasüsteemides, ilma probleemita.
Lisaks on see haakeseadis erineva suuruse ja pöördemomendiga. Kui vajate kohandatud universaalset haakeseadist tööstusmasinate jaoks – näiteks harvesteri või muu spetsiifilise varustuse jaoks –, saame selle kohandada vastavalt teie vajadustele ja hind jääb konkurentsivõimeliseks. Meil on tootmise oskusteave, et muuta see lühike painduv haakeseade seadmete seisakuaega lühendamaks, et teie masinad töötaksid üldiselt usaldusväärsemalt.
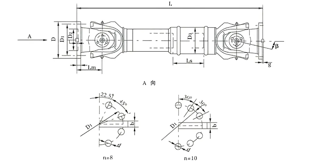
| Ei. | Pööramise läbimõõt D mm | Nominaalne pöördemoment Tn KN·m | Telgede voltimisnurk β (°) | Kulumismoment Tf KN·m | Paindlik kogus Ls mm | Suurus (mm) | Pöörlev inerts kg.m2 | Kaal (kg) | |||||||||||
| Lmin | D1 (js11) | D2 (H7) | D3 | Lm | n-d | k | t | b (h9) | g | Lmin | Suurendada 100 mm | Lmin | Suurendada 100 mm | ||||||
| SWC180DH1 | 180 | 20 | 10 | ≤25 | 75 | 650 | 155 | 105 | 114 | 110 | 8-17 | 17 | 5 | - | - | 0.165 | 0.0070 | 58 | 2.8 |
| SWC180DH2 | 55 | 600 | 0.162 | 56 | |||||||||||||||
| SWC180DH3 | 40 | 550 | 0.160 | 52 | |||||||||||||||
| SWC225DH1 | 225 | 40 | 20 | ≤15 | 85 | 710 | 196 | 135 | 152 | 120 | 20 | 5 | 32 | 9.0 | 0.415 | 0.0234 | 95 | 4.9 | |
| SWC225DH2 | 70 | 640 | 0.397 | 92 | |||||||||||||||
| SWC250DH1 | 250 | 63 | 31.5 | ≤15 | 100 | 795 | 218 | 150 | 168 | 140 | 8-19 | 25 | 6 | 40 | 12.5 | 0.900 | 0.0277 | 148 | 5.3 |
| SWC250DH2 | 70 | 735 | 0.885 | 136 | |||||||||||||||
| SWC285DH1 | 285 | 90 | 45 | ≤15 | 120 | 950 | 245 | 170 | 194 | 160 | 8-21 | 27 | 7 | 40 | 15.0 | 1.876 | 0.0510 | 229 | 6.3 |
| SWC285DH2 | 80 | 880 | 1.801 | 221 | |||||||||||||||
| SWC315DH1 | 315 | 125 | 63 | ≤15 | 130 | 1070 | 280 | 185 | 219 | 180 | 10-23 | 32 | 8 | 40 | 15.0 | 3.331 | 0.0795 | 346 | 8.0 |
| SWC315DH2 | 90 | 980 | 3.163 | 334 | |||||||||||||||
| SWC350DH1 | 350 | 180 | 90 | ≤15 | 140 | 1170 | 310 | 210 | 267 | 194 | 10-23 | 35 | 8 | 50 | 16.0 | 6.215 | 0..2219 | 508 | 15.0 |
| SWC350DH2 | 90 | 1070 | 5.824 | 485 | |||||||||||||||
| SWC390DH1 | 390 | 250 | 125 | ≤15 | 150 | 1300 | 345 | 235 | 267 | 215 | 10-25 | 40 | 8 | 70 | 18.0 | 11.125 | 0.2219 | 655 | |
| SWC390DH2 | 90 | 1200 | 10.763 | 600 | |||||||||||||||
* 1. Tf-vahelduva koormuse all pöördemoment, mis võimaldab vastavalt väsimustugevusele. * 2. Lmin-vähim pikkus pärast lõiget. * 3. L-paigaldise pikkus, mis on vastavalt nõudele
SWC universaalliigendi ühendus, mida sageli nimetatakse SWC kardaanvõlli universaalliigendiks, on raskeveokite tööstuslike stsenaariumide võtmekomponent. See on asendamatu valtsimistehastes, tõsteseadmetes ja mitmesugustes suuremahulistes raskemasinasüsteemides. Suure pöördemomendiga universaalliigendi sidurina suudab see tõhusalt ühendada kahte mittekattuvate telgedega ülekandevõlli, tagades katkematu jõuülekande ka keerulistes ja karmides töötingimustes.
Selle siduri peamised tehnilised parameetrid on järgmised:
Pööramise läbimõõt: φ58 - φ620
Nominaalne pöördemoment: 0,15 - 1000 kN·m
Telje voltimisnurk: ≤25°
Praktilistes rakendustes toimib see erakordselt hästi. Näiteks valtspinkide töötamise ajal, kui vajatakse valtsimisseadmete jaoks mõeldud usaldusväärset raskeveokite universaalliigendi ühendusseadet või tõste- ja materjalikäitlusseadmetes, kui on vaja vastupidavat SWC kardaanvõlli sidurit, on see toode täielikult pädev. Isegi suure koormuse korral suudab see stabiilselt säilitada seadmete tööstabiilsuse.
SWC universaalliigendi ühendus on loodud täiustatud inseneripõhimõtteid kasutades, pakkudes erakordset jõudlust ja pikemat kasutusiga tööstuslikes keskkondades. Selle peamised struktuuriomadused on järgmised:
Mõistlik ja ohutu struktuur: integreeritud kahvlipea konstruktsiooniga tööstuslik universaalliigendi ühendus vähendab poltide lõdvenemise või purunemise ohtu, suurendades konstruktsiooni tugevust 30–50%. See disain tagab ohutu ja usaldusväärse töö, pikendab kasutusiga võrreldes traditsiooniliste mudelitega ja hoiab ära tavalised tõrked kõrgsurve stsenaariumide korral, nagu raskete masinate universaalliigendi haakesüsteemid.
Täiustatud kandevõime: SWC raskeveokite universaalliigendi ühendus on spetsiaalselt loodud kandma suuri koormusi, mistõttu on see hädavajalik stsenaariumides, mis nõuavad suurepärast koormuse juhtimist, nagu kaevandus- või ehitusmasinad.
Kõrge ülekandetõhusus: selle tõhususe kuni 98,6% efektiivsusega suure võimsusega ülekande jaoks mõeldud tõhus universaalliigend vähendab oluliselt energiatarbimist ja sellega seotud kulusid, muutes selle esimeseks valikuks energiasäästlike universaalliigendi ühenduslahenduste jaoks suure võimsusega tööstuslikes ülekandesüsteemides.
Stabiilne töötamine madala müratasemega: see madala müratasemega universaalliigendi sidur töötab stabiilselt ja müratase on tavaliselt vahemikus 30–40 dB(A), tagades vaikse töö. See sobib ideaalselt müratundlikesse keskkondadesse, säilitades samal ajal kõrge töökindluse.
Universaalliigendi haakeseadised, eriti kardaanvõlli SWC kardaanliigendi ühendus, on tänu oma silmapaistvatele eelistele muutunud tööstuslikes rakendustes asendamatuteks ülekandekomponentideks. Nad suudavad täita põhivajadusi sellistes valdkondades nagu raskemasinad, täppistootmine ja energiaülekanne. Allpool on üksikasjalik analüüs nende peamiste eeliste kohta:
1. Tugev pöördemomendi ülekanne ja suurepärane joondamise kompenseerimine
Suure pöördemomendiga universaalliigendi sidurina suudab see stabiilselt edastada suure võimsusega koormusi. Isegi stsenaariumide korral, kus valtspingi töötamise ajal esineb sageli võlli kõrvalekaldeid (nt aksiaalne nihe, mis on põhjustatud rullide kulumisest ja temperatuurimuutustest terase valtsimise ajal), saab see usaldusväärne raskeveokite universaalliigendi ühendus valtspingi toimingute jaoks hõlpsasti toime tulla. See suudab samaaegselt kompenseerida nurga-, aksiaalseid ja radiaalseid kõrvalekaldeid, kusjuures maksimaalne nurganihe on kuni 25 kraadi. See suurepärane joondusviga kohanemisvõime hoiab ära võlli nihkest põhjustatud ülekandeummistused, tagab pideva ja stabiilse jõuülekande, vähendab oluliselt mehaaniliste rikete tõenäosust ekstreemsetes töötingimustes ning tagab tootmisliinide pideva töö.
2. Suur vastupidavus ja pikem kasutusiga
SWC universaalliigendi liitmike konstruktsioon ja materjalivalik on keskendunud "vastupidavusele rasketele koormustele ja talumisele karmides tingimustes". Põhikorpus on valmistatud ülitugevast legeerterasest, mis on kombineeritud integreeritud kahvlipea struktuuriga, mis vähendab põhimõtteliselt levinud tõrkekohti, nagu poltide lõdvenemine ja komponentide purunemine. Võttes näiteks tõste- ja materjalikäitlusseadmetes kasutatava vastupidava SWC kardaanvõlli siduri, talub see raskete esemete tõstmisel tekkivat hetkelist löögikoormust ja säilitab stabiilse jõudluse karmides keskkondades, nagu tolm ja kõrge temperatuur. Võrreldes traditsiooniliste poolitatud struktuuriga haakeseadistega on selle tööstusliku universaalliigendi üldist tugevust suurenenud 30–50%, mis mitte ainult ei vähenda igapäevase hoolduse sagedust, vaid pikendab ka kasutusiga 2-3 aasta võrra. See sobib eriti hästi raskete masinate universaalliigendi ühendussüsteemide pikaajaliseks suure koormusega tööks.
3. Kõrge ülekandetõhusus ja märkimisväärne energiasäästuefekt
Katsed on näidanud, et SWC raskeveokite universaalliigendi ülekandeefektiivsus on koguni 98,6%, millel on ilmsed eelised suure võimsusega tööstuslike ülekandestsenaariumide puhul, nagu kõrgahjuventilaatorid terasetehastes ja söe transpordisüsteemid elektrijaamades. Seadmete puhul, mis nõuavad pidevat suure võimsusega ülekannet, võib selle tõhusa universaalliigendi ühendamine suure jõuülekande jaoks minimeerida võimsuskadu. Energiasäästlike universaalliigenditega sidumislahendusi taotlevate ettevõtete jaoks saab selle kõrge kasuteguri otse kulueelisteks muuta: 1500 kW tööstusmootori näitel võib see säästa elektrikulusid üle 12 000 jüaani aastas ja aidata ettevõtetel vähendada märkimisväärseid tegevuskulusid pikaajalisel kasutamisel, järgides samal ajal energiasäästu ja tarbimise vähendamise trende.
4. Stabiilne ja vaikne töö, sobib mitme stsenaariumi jaoks
Optimeerides laagrite sobivuse täpsust ja kasutades madala hõõrdeteguriga määrdeainet, kontrollitakse selle madala müratasemega universaalliigendi töömüra rangelt tasemel 30–40 dB(A), mis on samaväärne igapäevase kontori ümbritseva müratasemega ja vastab täielikult tööstusobjektide müraemissiooni standarditele. Müratundlikes stsenaariumides (nt toiduainete töötlemisettevõtete tootmisliinid ja täppiselektroonika komponentide transpordiseadmed) ei saa see mitte ainult tagada ülekandesüsteemi stabiilsust ja töökindlust, vaid vältida ka töökoja keskkonna või töötajate töökogemuse mõjutamist müra tõttu. Samal ajal võivad stabiilsed ülekandeomadused vähendada ka ümbritsevate komponentide kulumist, mis on põhjustatud seadme vibratsioonist, parandades veelgi kogu tootmissüsteemi tööstabiilsust ja kasutusiga.
SWC-DH lühikest painduvat keevitustüüpi universaalühendust, mida sageli nimetatakse SWC kardaanvõlli universaalliigendiks, kasutatakse peamiselt raskete masinate stsenaariumides, nagu valtsimistehased ja tõstukid. Seda tüüpi seadmetel on äärmiselt kõrged nõuded konstruktsiooni kompaktsusele ja paindlikkusele – ainult nende kahe punkti täitmisel on võimalik saavutada tõhus töö ja see haakeseade vastab sellistele vajadustele suurepäraselt. Suure pöördemomendiga universaalliigendi sidurina suudab see tõhusalt ühendada kahte ülekandevõlli, mille teljed ei lange kokku, tagades sujuva jõuülekande isegi karmides tööstuskeskkondades, mis nõuavad võllisüsteemi väärastumise täpset kompenseerimist.
Praktilistes rakendustes, olenemata sellest, kas valtspingi tööks on vaja usaldusväärset raskeveokite kardaanvõlli ühendusmuhvi või tõste- ja materjalikäitlusseadmetes on vaja vastupidavat SWC kardaanvõlli ühendusmuhvi, suudab see toode suurepäraselt töötada - see suudab säilitada seadme stabiilse töö isegi äärmuslike koormuste korral. Selle kohanemisvõime on eriti silmapaistev kompaktsete seadmete paigutuste puhul, kus ruumi on piiratud ja vaja on lühikest paindlikku struktuuri.
See SWC-DH tööstuslik universaalliigendi ühendus on ehitatud täiustatud inseneritehnoloogiaga ning optimeeritud jõudluse ja tööea jaoks spetsiaalselt tööstusliku stsenaariumi jaoks. Selle põhiline konstruktsiooniomadus seisneb selle mõistlikus ja turvalises disainis: integreeritud kahvlipea struktuur kõrvaldab põhimõtteliselt varjatud poltide lõdvenemise või purunemise ohud, suurendades üldist tugevust 30–50%. See konstruktsioon ei taga mitte ainult töö ohutust ja töökindlust, vaid pikendab ka kasutusiga võrreldes traditsiooniliste mudelitega, vältides samal ajal levinud rikkeprobleeme suure pingega rakenduste stsenaariumides, nagu raskemasinate universaalliigendi ühendussüsteemid.
Lisaks on selle kandevõimet suurendatud disainiga, et taluda suuremaid raskusi, nii et see SWC raskeveokite universaalliigendi ühendus on väga sobiv stsenaariumide jaoks, kus kandevõimele on ranged nõuded, nagu kaevandusmasinad ja ehitusseadmed. Ülekande efektiivsuse osas ulatub see kuni 98,6%. Tõhusa universaalliigendi sidurina suure jõuülekande jaoks võib see oluliselt vähendada energiatarbimist ja elektrikulusid, muutes selle eelistatud tooteks energiasäästlike universaalliigendi lahenduste jaoks suure võimsusega tööstusliku ülekande valdkonnas.
Lõpuks on sellel siduril stabiilne jõuülekanne, mille töömüra on tavaliselt reguleeritud 30–40 dB(A), mis teeb sellest madala müratasemega universaalliigendi siduri. See omadus võimaldab sellel töötada vaikselt isegi müratundlikes tööstuslikes stsenaariumides, säilitades samal ajal kõrge töökindluse.
⭐⭐⭐⭐⭐ Wang Lei, projektiinsener, Guangdong Heavy Machinery Co., Ltd.
Oleme oma rasketes masinates juba mõnda aega kasutanud Raydafoni SWC-DH lühikest painduvat keevitustüüpi universaalühendust ja see on olnud meeldiv üllatus – eriti kitsastesse kohtadesse sobitumisel. Meie seadmetes on käigukasti osade jaoks üsna vähe ruumi, kuid selle siduri kompaktne disain sobib nagu valatult, teisi komponente pole vaja lihtsalt selle toimimiseks ümber paigutada.
Veelgi parem on see, et see ei ohverda jõudlust suuruse pärast. See tagab endiselt tugeva ja ühtlase pöördemomendi jõuülekande – see on meie raskeveokite jaoks ülioluline. Oleme seda nädalaid pidevalt käivitanud ja ebanormaalset vibratsiooni pole olnud; kogu süsteem jääb sujuvaks. Veel üks esiletõst on ka keevituskvaliteet – ainuüksi peale vaadates näete, et see on kindel, mis annab meile täieliku kindlustunde, et see peab vastu ka pikaajalisele raskele kasutamisele. Ruumisäästliku disaini ja töökindluse tasakaalustava siduri puhul on see võitja.
⭐⭐⭐⭐⭐ Zhao Ming, hankejuht, Tianjin Steel Equipment Co., Ltd.
Tellisime hiljuti Raydafonilt mitu SWC-DH-muhvi ja pean ütlema, et kogu hankeprotsess oli imelihtne – ei peavalu ega viivitusi. Alates tellimuse saatmise hetkest oli nende meeskond vastutulelik ja kohaletoimetamine ilmus täpselt ettenähtud kuupäeval, mis on meie tootmise õigel rajal hoidmisel suur pluss. Pakend oli samuti tipptasemel: iga haakeseadis oli turvaliselt pakitud, ilma mõlkide ega transpordi ajal kahjustusteta – lihtsalt valmis lahti võtma ja paigaldama.
Meie tehniline meeskond tegeles seadistamisega ja nad mainisid kohe, kui lihtne see oli paigaldada. Ei mingeid keerulisi samme, pole vaja otsida spetsiaalseid tööriistu – nad paigaldasid selle kiiresti ja sellest ajast alates töötab see usaldusväärselt. Kui arvestada mõistliku hinna ja selle ühtlase jõudlusega, on selge, et see ühendus pakub suurepärast väärtust. Plaanime seda juba oma tavapäraste hangete nimekirja jätta; see on selline toode, mis muudab minu töö ostjana lihtsamaks.
⭐⭐⭐⭐⭐ Liu Hong, Shandongi tööstusgrupi hooldusdirektor
Seadmete hooldust jälgiva inimesena on minu suurimaks prioriteediks seisakuaegade vähendamine ja minu meeskonna osade hooldamisele kuluva aja vähendamine. Raydafoni SWC-DH-ühendus kontrollib mõlemat kasti ideaalselt. Kasutame seda seadmetes, mis töötavad igapäevaselt suure töökoormuse all ning see ei libise ega nihku kunagi – püsib kindlalt paigal, ilma lahtiste ühendusteta. Isegi pärast kuudepikkust kasutamist pole peaaegu mingeid kulumisjälgi, mis on tohutu kontrast võrreldes teiste varem kasutatud siduritega.
Nende vanemate haakeseadiste puhul planeerisime alati kiireid parandusi või osade vahetusi, mis kulutasid tootmisaega ja suurendasid kulusid. See üks? Puudutame seda vaevu – ei mingit sagedast hooldust ega ootamatuid rikkeid. See säästab meil hoolduselt nii palju aega ja raha ning teeb lihtsalt oma tööd usaldusväärselt. Tänapäeval on sellest saanud meie igapäevaste toimingute põhikomponent; Ma ei pea muretsema selle ebaõnnestumise pärast, mis võimaldab mul keskenduda teistele prioriteetidele. See on täpselt selline usaldusväärne osa, mida iga hooldusmeeskond vajab.
Aadress
Luotuo tööstuspiirkond, Zhenhai piirkond, Ningbo linn, Hiina
Tel
E-post


+86-574-87168065


Luotuo tööstuspiirkond, Zhenhai piirkond, Ningbo linn, Hiina
Autoriõigus © Raydafon Technology Group Co., piiratud kõik õigused reserveeritud.
Links | Sitemap | RSS | XML | Privaatsuspoliitika |
