QR kood
Tooted
Võta meiega ühendust


Faks
+86-574-87168065

E-post

Aadress
Luotuo tööstuspiirkond, Zhenhai piirkond, Ningbo linn, Hiina
Raydafoni SWC-BF standardne painduva ääriku tüüpi universaalne haakeseadis on ehitatud nii, et see liigutab pöördemomenti usaldusväärselt rasketes masinates – mõelge valtsimisvabrikutele, paberitootmisseadmetele, tööstuslikele ajamitele ja kõigile seadistustele, mis vajavad tugevat jõudlust. Sellel on painduva ääriku konstruktsioon, mille pöörde läbimõõt on vahemikus 180 mm kuni 620 mm, ja see standardne painduv universaalne ühendusliides talub kuni 15-kraadiseid nurkade kõrvalekaldeid ja pöördemomenti kuni 1250 kN·m. Isegi nõudlikes töökeskkondades töötab see stabiilselt, ilma kukkumisteta. Valmistame selle ülitugevast 35CrMo terasest ja täppis-nõellaagritest, nii et see sobib suurepäraselt tööstuslike masinate universaalse liitmikuna ja raskete seadmete painduvate äärikmuhvidena – liigutab jõudu tugevalt ja te ei märka vaevu vibratsiooni.
Meie tootmine Hiinas järgib ISO 9001 standardeid, nii et universaalne SWC-BF-liitmik kestab kaua ja on korrosioonikindel – seda kõike tänu selle kroomitud ristvõllile. Äärikühendus muudab paigaldamise lihtsaks, mis on suureks abiks sellistes valdkondades nagu metallurgia, kaevandamine ja laevaehitus – kohtades, kus vajate mõõdukat aksiaalset paindlikkust. Saame kohandada ka selle suurust ja pöördemomendi hinnanguid, nii et see vastupidav painduv universaalne liitmik toimib suurepäraselt kohandatud universaalse liitmikuna valtspinkide ja muude tööstuslike vajaduste jaoks. Ja hind on konkurentsivõimeline, ei mingit ülelaadimist. Raydafoni oskusteave tähendab, et kulutate hooldusele vähem aega ja teie seadmed jäävad töökindlamaks – operaatorid üle maailma võivad sellele loota.
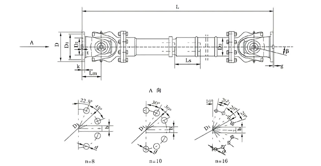
| Ei. | Pööramise läbimõõt D mm | Nominaalne pöördemoment Tn KN·m | Telgede voltimisnurk β (°) | Väsinud pöördemoment Tf KN·m | Paindlik kogus Ls mm | Suurus (mm) | Pöörlev inerts kg.m2 | Kaal (kg) | |||||||||||
| Lmin | D1 (js11) | D2 (H7) | D3 | Lm | n-d | k | t | b (h9) | g | Lmin | Suurendada 100 mm | Lmin | Suurendada 100 mm | ||||||
| SWC180BF | 180 | 12.5 | 6.3 | ≤25 | 100 | 810 | 155 | 105 | 114 | 110 | 8-17 | 17 | 5 | -1.455 | - | 0.27 | 0.0070 | 80 | 2.8 |
| SWC225BF | 225 | 40 | 20 | ≤15 | 140 | 920 | 196 | 135 | 152 | 120 | 8-17 | 20 | 5 | 32 | 9 | 0.79 | 0.0234 | 138 | 4.9 |
| SWC250BF | 250 | 63 | 31.5 | 1035 | 218 | 150 | 168 | 140 | 8-19 | 25 | 6 | 40 | 12.5 | 1.46 | 0.0277 | 196 | 5.3 | ||
| SWC285BF | 285 | 90 | 45 | 1190 | 245 | 170 | 194 | 160 | 8-21 | 27 | 7 | 40 | 15 | 2.87 | 0.0510 | 295 | 6.3 | ||
| SWC315BF | 315 | 125 | 63 | 1315 | 280 | 185 | 219 | 180 | 10-23 | 32 | 8 | 40 | 15 | 5.09 | 0.0795 | 428 | 8.0 | ||
| SWC350BF | 350 | 180 | 90 | 150 | 1410 | 310 | 210 | 267 | 194 | 10-23 | 35 | 8 | 50 | 16 | 9.20 | 0.2219 | 632 | 15.0 | |
| SWC390BF | 390 | 250 | 125 | 170 | 1590 | 345 | 235 | 267 | 215 | 10-25 | 40 | 8 | 70 | 18 | 16.62 | 0.2219 | 817 | 15.0 | |
| SWC440BF | 440 | 355 | 180 | 190 | 1875 | 390 | 255 | 325 | 260 | 16-28 | 42 | 10 | 80 | 20 | 28.24 | 0.4744 | 1290 | 21.7 | |
| SWC490BF | 490 | 500 | 250 | 190 | 1985 | 435 | 275 | 325 | 270 | 16-31 | 47 | 12 | 90 | 22.5 | 46.33 | 0.4744 | 1631 | 21.7 | |
| SWC550BF | 550 | 710 | 355 | 240 | 2300 | 492 | 320 | 426 | 305 | 16-31 | 50 | 12 | 100 | 22.5 | 86.98 | 1.3570 | 2567 | 34.0 | |
| SWC620BF | 620 | 1000 | 500 | 240 | 2500 | 555 | 380 | 426 | 340 | 10-38 | 55 | 12 | 100 | 25 | 147.50 | 1.3570 | 3267 | 34.0 | |
Universaalsed haakeseadised – mida nimetatakse ka universaalliigenditeks – on mehaanilised osad, mis liigutavad pöördemomenti ja pöörlevat liikumist kahe võlli vahel, mis ei pruugi olla ideaalselt joondatud. Need käsitlevad nurk-, aksiaalseid ja radiaalseid kõrvalekaldeid, säilitades samal ajal jõuülekande tõhusaks erinevates tööstuslikes kasutustes. Raydafonis on meie kardaanvõlli kardaanvõlli universaalliigendi haakeseadiseeria suurepärane näide tipptasemel inseneritööst, pakkudes suure pöördemomendiga universaalliigendi ühenduslahendusi, mis on loodud just raskeveokite jaoks, nagu valtspingid ja tõsteseadmed.
Jaotame peamised universaalliigendite haakeseadiste tüübid:
Esiteks on universaalne liigend. Sellel on üks ristikujuline tihvt, mis ühendab kahte ikke, mis võimaldab võllidel olla kuni 45-kraadine nurkne nihe. See töötab hästi mõõduka nihkega seadistuste puhul, kuigi see võib põhjustada kiiruse muutusi. Raydafoni töökindel raskeveokite universaalliigendi ühendus valtspingi tööks kasutab sageli kompaktsete konstruktsioonide puhul üksikut liigendit, nii et see peab suurepäraselt vastu ka suure koormuse korral.
Siis on topelt universaalliigend. Sellel on kaks omavahel ühendatud liigendit, mis taluvad suuremaid joondusvigasid ja hoiavad ülekandekiiruse peaaegu konstantsena – ideaalne keeruliste võlli seadistuste jaoks. Kui vajate tõste- ja materjalikäitlusseadmetes vastupidavat SWC kardaanvõlli sidurit, suurendavad Raydafoni topeltliigendi mudelid stabiilsust ja vähendavad vibratsiooni kõrge pingega tööstuslikes universaalliigendi ühendussüsteemides.
Järgmine on teleskoop- või laiendatav universaalliigend. Sellel on sooned või libisevad osad, mis võimaldavad teil pikkust reguleerida, kompenseerides samal ajal kõrvalekaldeid, mis toimivad dünaamiliste seadistuste aksiaalsete liikumiste korral. Raydafoni raskeveokite universaalliigendi ühendus SWC sisaldab teleskoopvõimalusi – need toimivad tõhusa universaalliigendi ühenduslülina suure jõuülekande jaoks sellistes kohtades nagu kaevandused või ehitusplatsid, kus vajate võlli pikkuse paindlikkust.
Samuti on olemas tahke, puuritud või splainitud rummu tüübid. Need erinevad ühendamisviisi poolest: tahketel rummudel ei ole auke, puuritud rummudel on ümmargused, kuuskant- või ruudukujulised avad ning splintidega rummudel on tiheda sobivuse tagamiseks sooned. Energiasäästlike universaalliigendite sidumislahenduste jaoks pakub Raydafon meie madala müratasemega universaalliigendi liitmike valikus rihvelkonstruktsioone – need optimeerivad pöördemomendi edastamist ja hoiavad tundlikes tööstuspiirkondades müra 30–40 dB(A).
Raydafoni universaalliigendi haakeseadised, sealhulgas SWC-seeria, on valmistatud integreeritud kahvlipea konstruktsiooniga – poltidega seotud probleeme pole enam, mis suurendab tugevust 30–50% ja ülekande efektiivsust kuni 98,6%. Need funktsioonid muudavad meie tooted parimaks valikuks professionaalidele, kes vajavad kohandatud suure jõudlusega lahendusi.
Universaalsed haakeseadised – võtke näiteks Raydafoni SWC kardaanvõlli universaalliigendi ühendus – toovad tööstuslikele ülekandesüsteemidele suurt kasu. Need liigutavad pöördemomenti tõhusalt võllide vahel, mis ei ole joondatud, taluvad kõikvõimalikke kõrvalekaldeid ja on hädavajalikud töö sujuvaks toimimiseks rasketes keskkondades, nagu need, mis vajavad suure pöördemomendiga universaalliigendi haakelahendusi.
Sukeldume nende peamistesse eelistesse: esiteks suudavad nad suurepäraselt kompenseerida kõrvalekaldeid. Universaalsed liitmikud taluvad kuni 25-kraadiseid nurk-, aksiaalseid ja radiaalseid kõrvalekaldeid, mis teeb neist usaldusväärse raskeveokite universaalliigendi ühenduse valtspingi operatsioonide jaoks. Nad teevad seda ilma liigset mehaanilist pinget või vibratsiooni lisamata, nii et teie masinad on kaitstud.
Siis on nende vastupidavus ja pikk kasutusiga. Ehitame need liitmikud integreeritud kahvlipea konstruktsioonide ja ülitugevate materjalidega, mis vähendab riske, nagu poltide lahtitulemine või purunemine, suurendades konstruktsiooni terviklikkust 30–50%. Seetõttu töötab tõste- ja materjalikäitlusseadmete vastupidav SWC kardaanvõlli ühendus karmides oludes pikkade lõikude jaoks nii hästi; see ületab traditsioonilised mudelid pikalt.
Neil on ka tipptasemel kandevõime ja pöördemoment. Tööstuslik universaalliigendi ühendus, mis on konstrueeritud taluma suuri raskusi ja edastama nimipöördemomente vahemikus 0,15 kuni 1000 kN·m, särab raskete masinate universaalliigendi ühendussüsteemides. Nende seadistuste puhul on ühtlane jõudlus ekstreemse koormuse korral täiesti võimalik ja see ühendus toimib iga kord.
Jõuülekande tõhususe osas on neid raske ületada. Kuni 98,6% efektiivsusega SWC raskeveokite universaalliigendi ühendus hoiab energiakadu madalal. See muudab selle tõhusaks universaalliigendiks suure jõuülekande jaoks suure võimsusega tööstuslikes rakendustes ja aja jooksul suurendab see tõhusus tegelikku kulude kokkuhoidu.
Viimaseks, kuid mitte vähem tähtsaks, säästavad nad energiat ja töötavad vaikselt. Energiasäästlike universaalliigendi lahendustena vähendavad need elektritarbimist ja töötavad vaid 30-40 dB(A). See madala müratasemega universaalliigendi ühendus on ideaalne tööstuslikele kohtadele, kus müra tekitab muret – saate kogu vajaliku töökindluse ilma valju tööta.
Universaalsed muhvid – enamik inimesi nimetavad neid universaalliigenditeks – töötavad lihtsa, kuid tõhusa mehaanilise idee alusel: need liigutavad pöördemomenti ja pöörlevat liikumist kahe võlli vahel, mis ei ole ideaalselt joondatud, käsitledes nurk-, aksiaalseid ja radiaalseid kõrvalekaldeid ilma lööki vahele jätmata. Võtke näiteks Raydafoni SWC kardaanvõlli kardaanliigendi ühendus – see on selle põhimõtte suurepärane näide. See kasutab iga võlli ikke ühendamiseks ristikujulist pöördtappi (nimetame seda sageli ämblikuks), nii et jõuülekanne toimub sujuvalt isegi hõivatud tööstuslikes seadistustes.
Selle toimimise tuum on ristpöördtelg: see laseb ikkedel iseseisvalt pöörata, mis korvab võlli kalde kuni 25 kraadi, säilitades samal ajal pöördemomendi ühtlase. See suure pöördemomendiga universaalliigendi ühendusseade hoiab ka pöörlemiskiiruse muutused minimaalsena – eriti kui tegemist on topeltliigendiga –, nii et see sobib suurepäraselt töödeks, mis vajavad valtspingi tööks usaldusväärset raskeveokite universaalliigendi sidurit. Ja Raydafoni SWC-seeriaga lisasime integreeritud kahvlipea disaini, et muuta see mehhanism veelgi paremaks: see eemaldab probleemid, nagu poltide lahtitulemine, suurendab konstruktsiooni tugevust 30–50% ja aitab sellel kauem vastu pidada kõrge pingega kohtades.
See põhimõte toetab ka suurt kandevõimet. Ühendus talub nominaalseid pöördemomente 0,15 kuni 1000 kN·m, pöörde läbimõõt on vahemikus φ58 kuni φ620 – seepärast on tõste- ja materjalikäitlusseadmete vastupidav SWC kardaanvõlli ühendus nii kindel valik raskete toimingute jaoks. Lisaks saavutab tööstusliku universaalliigendi ülekande efektiivsus kuni 98,6%, vähendades energiatarbimist raskete masinate universaalliigendi süsteemides.
Veelgi enam, Raydafoni raskeveokite universaalliigendil SWC on omadused, mis vastavad sujuvale tööpõhimõttele: see hoiab ülekande ühtlasena ja müra jääb vahemikku 30–40 dB(A). See muudab selle tõhusaks universaalliigendiks suure jõuülekande jaoks ja parima energiasäästliku universaalliigendi lahenduse suure võimsusega tööstuslikele seadistustele. Kokkuvõttes hoiab see madala müratasemega universaalliigendi ühendus vaikselt, seega töötab see suurepäraselt kohtades, kus müra tekitab muret – töökindlust ohverdamata.
⭐⭐⭐⭐⭐ Li Jun, vaneminsener, Jiangsu Power Equipment Co., Ltd.
Oleme juba paar kuud kasutanud Raydafoni SWC-BF standardset Flex Flange Type universaalühendust ja see on toiminud suurepäraselt. Kõige enam paistab silma selle haakeseadise paindlikkus – see on muutnud meie masinad palju töökindlamaks, eriti mis puudutab võlli nihke kompenseerimist. Selle paigaldamine oli sujuv protsess, ilma keeruliste sammudeta ja ka keevisõmbluse kvaliteet näeb hea välja – see annab meile kindlasti meelerahu, et see kestab. Selle hinna jaoks on see tõesti hea hinna ja kvaliteedi suhe ja kui töötate raskemasinatööstuses, soovitaksin kindlasti seda paindlikku ääriku universaalühendust.
⭐⭐⭐⭐⭐ John Davis, mehaanikainsener, Manchester Engineering Ltd., Ühendkuningriik
Manchesteri rajatises vahetasime vana siduri Raydafoni SWC-BF standardse Flex Flange tüüpi universaalse haakeseadise vastu ja erinevus oli kohe ilmne. See universaalne haakeseadis liigutab jõudu sujuvalt ja tõhusalt isegi siis, kui kasutame seda suure pingega tingimustes – see ei anna kunagi alla. Paindlikkus koos selle karmi disainiga hoiab meie masinad tõrgeteta töös. Lisaks jõudis Raydafon meile kiiresti kohale ja nende klienditeenindus oli tipptasemel – muutis kogu ostukogemuse palju paremaks. Soovitame seda usaldusväärset painduva ääriku universaalühendust!
⭐⭐⭐⭐⭐ Matteo Rossi, tootmisjuht, Milan Industrial Solutions, Itaalia
Otsisime universaalset haakeseadist, mis saaks hästi hakkama nihkega, ja nii leidsimegi Raydafoni SWC-BF standardse painduva ääriku tüüpi universaalse siduri. Oleme seda juba paar nädalat kasutanud ja võin kindlalt öelda, et see kontrollib kõiki meie kaste. Paigaldamine oli lihtne, ilma täiendavate probleemideta ja isegi rasketes tingimustes toimetulemisel peab see vastu. Kvaliteet on hinna kohta silmapaistev – kahtlemata tark investeering meie masinatesse. Olen väga rahul nii toote kui ka teenusega, mida Raydafon meile osutas.
Raydafon ei ole ainult tootja – me oleme tipptasemel jõuülekandekomponentide ja tööstusmasinate lahenduste juhtiv tarnija ning meil on sügavad teadmised selliste toodete osas nagu SWC kardaanvõlli universaalliigendi ühendus. Alustasime innovatsioonist ja kvaliteedist ning aja jooksul oleme laiendanud oma valikut käigukastidele, veovõllidele, hüdrosilindritele, rihmaratastele ja täiustatud tööpinkidele – kõik need on loodud vastama põllumajanduse ja raskeveokite tööstuse karmidele nõudmistele. Meie suure pöördemomendiga universaalliigendi ühenduslahendused on valmistatud hoolikalt, tagades pöördemomendi sujuva ülekandmise ja nihkega toimetulemise – need on hädavajalikud klientidele, kes vajavad valtspingi tööks usaldusväärset raskeveokite universaalliigendi sidurit.
Meie tootmisruumid on tipptasemel: meil on CNC-töökojad, lihvimis- ja kuumtöötlusseadmed ning 3D-mõõtesüsteemid. Peame kinni rangetest standarditest, nagu ISO9001/TS16949, nii et iga meie valmistatud tööstuslik universaalliigendi ühendus on täpne ja ehitatud kestma. Võtke näiteks meie vastupidav SWC kardaanvõlli ühendus tõste- ja materjalikäitlusseadmetes – see on optimeeritud kohtadesse, kus on vaja tõsist kandevõimet. Ja meie SWC raskeveokite universaalliigendi ühendus? See lahendab raskete masinate universaalliigendi süsteemide probleemid, kus ekstreemsetes tingimustes stabiilsena püsimine on vaieldamatu.
Meil on ka globaalne haare – 80% meie toodetest eksporditakse sellistele turgudele nagu USA, Saksamaa, Jaapan, Itaalia, Malaisia, Austraalia ja Lähis-Ida. Meil on tugev võrk Hiinas, Lõuna-Koreas, Ühendkuningriigis, Singapuris, USA-s ja Hispaanias, mis võimaldab meil luua kohandatud tõhusaid universaalliideseid suurte jõuülekandevõimaluste jaoks. Need on kohandatud konkreetsetele vajadustele, nagu meie energiasäästlikud universaalliigendi sidumislahendused, mis saavutavad kuni 98,6% ülekandetõhususe, vähendades energiatarbimist suure võimsusega seadistustes.
Jätkusuutlikkus ja kliendikeskne innovatsioon on meile olulised. Seetõttu pakume madala müratasemega universaalliigendi ühendusvõimalusi, mis hoiavad müra vahemikus 30–40 dB(A) – see sobib ideaalselt tööstuslikele kohtadele, kus müra tekitab muret. Ja me toetame kõike täieliku müügijärgse toega. Meie pühendumus teha asju õigesti teeb Raydafonist usaldusväärseks partneriks ülekandetööstuses, aidates professionaalidel saada oma seadmetest parima jõudluse ja töökindluse.
Aadress
Luotuo tööstuspiirkond, Zhenhai piirkond, Ningbo linn, Hiina
Tel
E-post


+86-574-87168065


Luotuo tööstuspiirkond, Zhenhai piirkond, Ningbo linn, Hiina
Autoriõigus © Raydafon Technology Group Co., piiratud kõik õigused reserveeritud.
Links | Sitemap | RSS | XML | Privaatsuspoliitika |
