QR kood
Tooted
Võta meiega ühendust


Faks
+86-574-87168065

E-post

Aadress
Luotuo tööstuspiirkond, Zhenhai piirkond, Ningbo linn, Hiina
Raydafoni SWC-WF ilma painduva ääriku tüüpi universaalse haakeseadiseta on loodud just raskete masinate suure pöördemomendi ülekandmiseks – mõelge metallurgiaseadmetele, kraanadele, kaevandussüsteemidele ja kõigile rasketele seadistustele, mis vajavad püsivat jõudu. Sellel on mittepainduv ääriku konstruktsioon, pöörlemisdiameetrid jäävad vahemikku 160–640 mm ja see ääriku tüüpi universaalne ühendusliides saab hakkama suurte nurkade kõrvalekalletega ja pideva pöörlemiskiirusega, isegi kui töötate ülimalt nõudlikes tingimustes. Kasutame selle ehitamiseks ülitugevat 35CrMo terast, nii et see talub suurepäraselt intensiivseid koormusi – just seepärast on see parim valik raskete masinate universaalsete sidurite ja tööstuslike rakenduste mittepainduvate universaalühenduste jaoks. Raydafoni täppistootmine tagab selle iga kord kindla jõudluse, eriti tööstusharudes, mis ei saa teha järeleandmisi järjepideva pöördemomendi edastamise osas.
See SWC-WF universaalne ühendus on ehitatud kestma, jäiga äärikühendusega, mis muudab paigaldamise lihtsaks sellistes süsteemides nagu laevaehituse ajamid ja valtsimistehased – kohtades, kus aksiaalne liikumine on väike. Järgime rangelt ISO 9001 standardeid ja meie Hiinas asuv tehas kasutab selle vastupidava ääriku universaalse haakeseadise valmistamiseks täiustatud töötlust ja ranget kvaliteedikontrolli. See on kohandatavates suurustes, pöördemomendi nimiväärtusega kuni 1250 kN·m, nii et see sobib otse metallurgiaseadmete ja muude raskeveokite seadistuste kohandatud universaalsetesse haakeseadistesse. Raydafon pakub ka kohandatud lahendusi konkurentsivõimeliste hindadega, aidates vähendada seisakuid ja suurendada teie seadmete töökindlust.
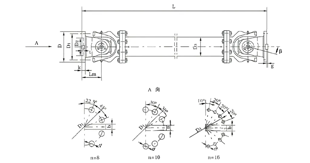
| Ei. | Pööramise läbimõõt D mm | Nominaalne pöördemoment Tn KN·m | Telgede voltimisnurk β (°) | Väsinud pöördemoment Tf KN·m | Suurus (mm) | Pöörlev inerts kg.m2 | Kaal (kg) | |||||||||||
| Lmin | D1 (js11) | D2 (H7) | D3 | Lm | n-d | k | t | b (h9) | g | Lmin | Suurendada 100 mm | Lmin | Suurendada 100 mm | |||||
| SWC285WF | 285 | 90 | 45 | ≤15 | 810 | 245 | 170 | 194 | 160 | 8-21 | 27 | 7 | 40 | 15 | 2.664 | 0.051 | 220 | 6.3 |
| SWC315WF | 315 | 125 | 63 | 915 | 280 | 185 | 219 | 180 | 10-23 | 32 | 8 | 40 | 15 | 4.469 | 0.0795 | 300 | 8.0 | |
| SWC350WF | 350 | 180 | 90 | 980 | 310 | 210 | 267 | 194 | 10-23 | 35 | 8 | 50 | 16 | 7.388 | 0.2219 | 412 | 15.0 | |
| SWC390WF | 390 | 250 | 125 | 1100 | 345 | 235 | 267 | 215 | 10-25 | 40 | 8 | 70 | 18 | 13.184 | 0.2219 | 588 | 15.0 | |
| SWC440WF | 440 | 355 | 180 | 1290 | 390 | 255 | 325 | 260 | 16-28 | 42 | 10 | 80 | 20 | 23.250 | 0.4744 | 880 | 21.7 | |
| SWC490WF | 490 | 500 | 250 | 1360 | 435 | 275 | 325 | 270 | 16-31 | 47 | 12 | 90 | 22.5 | 40.750 | 0.4744 | 1173 | 21.7 | |
| SWC550WF | 550 | 710 | 355 | 1510 | 492 | 320 | 426 | 305 | 16-31 | 50 | 12 | 100 | 22.5 | 68.480 | 1.3570 | 1663 | 34.0 | |
| SWC620WF | 620 | 1000 | 500 | 1690 | 555 | 380 | 426 | 340 | 10-38 | 55 | 12 | 100 | 25 | 127.530 | 1.3570 | 2332 | 34.0 | |
* 1. Tf-vahelduva koormuse all pöördemoment, mis võimaldab vastavalt väsimustugevusele.
* 2. L-paigaldise pikkus, mis on vastavalt nõudele.
Raydafoni painduva ääriku tüüpi universaalliigendita SWC-WF – mida nimetatakse ka SWC kardaanvõlli kardaanliigendiks – töötab mehaanilise põhiidee alusel: see juhib pöördemomendi kahelt mittekollineaarselt võllilt sinna, kuhu see peab minema, ja tegeleb ka nihkega. See suure pöördemomendiga universaalliigendi sidur kasutab äärikute ühendamiseks mõlemas otsas ristlaagrit, nii et isegi siis, kui võllid on nihutatud kuni 25 kraadi või neil on aksiaalsed/radiaalsed kõrvalekalded, liigutab see pöörlemisvõimsust sujuvalt.
Selle toimimise tuum on universaalliigendi disain – seal on ristvõll, mis toimib pöördena, laseb igal äärikul ise liikuda. Nii liigub pöördemoment veovõllilt veovõllile tõhusalt ja see korvab nurkade kõrvalekaldeid, ilma et see koormaks liialt osi, millega see on ühendatud. Kui vajate valtspingi tööks töökindlat raskeveokite universaalliigendit, siis selle jäik, paindumatu äärikukonstruktsioon hoiab asjad stabiilsena, mis sobib suurepäraselt kompaktsete raskemasinate seadistuste lühimaaühenduste jaoks.
Selle funktsiooni teeb silmapaistvaks see, et sellel ei ole painduvaid osi ega laiendusfunktsioone – see eristab seda teistest tüüpidest ja muudab selle suurepäraseks kohtades, kus aksiaalne liikumine on minimaalne. Vastupidav SWC kardaanvõlli ühendus, mida kasutame tõste- ja materjalikäitlusseadmetes, toetub sellele põhimõttele, et püsida tasakaalus ka suurte koormuste korral; see saavutab ülekandeefektiivsuse kuni 98,6% ja ei raiska palju energiat. See tööstuslik universaalliigendi sidur vähendab ka vibratsiooni tänu laagrite täpsele liikumisele, nii et see töötab sujuvalt isegi suure pingega olukordades – täpselt nagu raskete masinate universaalliigendi ühendussüsteemid, mida näete rasketes tööstuslikes töödes.
Lisaks on Raydafoni SWC raskeveokite universaalliigendil keevitatud äärikud, et muuta see tugevamaks – pole enam vaja muretseda poltide lahtitulemise pärast ja see suurendab üldist tugevust 30% kuni 50%. Tõhusa universaalliigendi sidurina suure jõuülekande jaoks, see talub nimipöördemomente vahemikus 0,15 kuni 1000 kN·m ja pöörlemisläbimõõt on vahemikus φ58 kuni φ620, mis teeb sellest parima valiku energiasäästlike universaalliigendi ühenduslahenduste jaoks nõudlikes tööstuslikes jõuülekannetes. Ja kui müra jääb vahemikku 30–40 dB(A), töötab see madala müratasemega universaalliigendi ühendus vaikselt, mis sobib ideaalselt tööstuspiirkondadesse, kus müra tekitab muret, järgides samal ajal kõrgeid töökindlusstandardeid.
Raydafoni SWC universaalliigendi ühendus – mida sageli nimetatakse SWC kardaanvõlli universaalliigendiks – ei ole lihtsalt tavaline osa; see on hädavajalik raskeveokite tööstuslike seadistuste jaoks, nagu valtspinkide, tõsteseadmete ja igasuguste raskete masinate süsteemid. Suure pöördemomendiga universaalliigendi haakeseadisena teeb see tugeva töö kahe ülekandevõlli ühendamisel, mis ei ole ideaalselt kohakuti, tagades, et võimsus jätkub ka siis, kui töötingimused on karmid.
Räägime selle põhispetsifikatsioonidest: pöörlemise läbimõõt on vahemikus φ58 kuni φ620, nimipöördemoment on vahemikus 0,15 kuni 1000 kN·m ja telje voltimisnurk ei ületa 25°.
See toode sobib tõesti konkreetsete stsenaariumide korral – näiteks siis, kui vajate valtsimistehase tööks töökindlat raskeveokite kardaanvõlli sidurit või vastupidavat SWC kardaanvõlli sidurit tõste- ja materjalikäitlusseadmetes. Sellistel juhtudel tõestab see oma väärtust, hoides toimingud stabiilsena, isegi kui tegemist on suurte koormustega.
Raydafoni SWC universaalliigendi ühendus ei ole loodud ainult funktsioneerimiseks – see on konstrueeritud nutika disainiga, et pidada vastu tööstuslikuks kasutamiseks ja toimima hästi ka pikas perspektiivis. Teeme lahti selle, mis muudab selle struktuuri silmapaistvaks.
Esiteks on sellel mõistlik ja turvaline konfiguratsioon: kasutasime selle tööstusliku universaalliigendi haakeseadise jaoks integreeritud kahvlipea konstruktsiooni, mis vähendab riske, nagu poltide lahtitulemine või purunemine. Ainuüksi see suurendab selle struktuuri terviklikkust 30–50%, nii et see töötab ohutult ja usaldusväärselt. Võrreldes tavaliste haakeseadistega, kestab see kauem ja väldib tavalisi rikkeid kõrge pingega kohtades – nagu raskete masinate universaalliigendi ühendussüsteemid, mida näete rasketes töödes.
Lisaks on selle suurem kandevõime: see SWC raskeveokite universaalliigendi ühendus on loodud taluma suuri raskusi, nii et see on kohustuslik kohtades, kus on vaja tipptasemel koormuse juhtimist, nagu kaevandus- või ehitusmasinad.
Samuti tagab see kõrge ülekandeefektiivsuse, saavutades kuni 98,6%. Tõhusa universaalliigendiga suure jõuülekande jaoks vähendab see energiatarbimist ja sellega kaasnevaid kulusid. Seetõttu on see parim valik energiasäästlike universaalliigendite sidurilahenduste jaoks suure võimsusega tööstuslikes jõuülekandeseadmetes.
Ja see töötab sujuvalt ja madala müratasemega: see hoiab ülekande ühtlasena ja müra jääb tavaliselt vahemikku 30–40 dB(A). See madala müratasemega universaalliigendi ühendus tagab töö vaikse oleku, mis sobib suurepäraselt kohtadesse, kus müra on probleem, säilitades samal ajal töökindluse kõrgel tasemel.
⭐⭐⭐⭐⭐ Chen Liang, tootmisinsener, Zhejiang Machinery Co., Ltd.
Panime Raydafoni SWC-WF ilma painduva ääriku tüüpi universaalühenduseta ühele oma tootmisliinidest ja see on siiani suurepäraselt töötanud. Konstruktsioon on lihtne, kuid raske – selle paigaldamine oli imelihtne, ilma keeruliste sammudeta. Kui see on seadistatud, töötab see sujuvalt, täiendavaid näpunäiteid pole vaja. Isegi kui koormus on suur, püsib see ühendus töökindel, mis tähendab, et suudame masinaid töötada pikki tunde ilma liigselt muretsemata – see annab meile kindlasti rohkem meelerahu.
⭐⭐⭐⭐⭐ Sun Mei, ostujuht, Hebei Steel Co., Ltd.
Meie ettevõte ostis Raydafonilt mitu SWC-WF ilma painduva äärikuta universaalset muhvi ja esiteks jõudis kohaletoimetamine õigeaegselt ja ka pakend oli ettevaatlik – kahjustusteta. Minu jaoks paistab silma see, mida ütles töökojameeskond: nad ütlesid, et liitmikud on kergesti paigaldatavad ja neid kasutades tunduvad need väga tugevad. Lisaks on siinne hind võrreldes teiste tarnijatega õiglane. Kokkuvõttes oleme selle ostuga väga rahul.
⭐⭐⭐⭐⭐ Guo Jun, hooldusjuht, Liaoning Heavy Industry Group
Minu ülesanne on hoida meie masinad töös ja ma püüan vähendada seisakuid nii palju kui võimalik. Alates sellest, kui hakkasime kasutama Raydafoni SWC-WF-i ilma Flex-ääriku tüüpi universaalse haakeseadiseta, olen märganud suurt erinevust - detaili vähem kulumist ja palju vähem probleeme töö ajal. Disain on karm ja see ei vaja palju hooldust. See säästab meie aega ja raha ning on osutunud meie seadmete jaoks ülimalt töökindlaks osaks.
Raydafon on ettevõtte EVER-POWER Group Co., Ltd. oluline tütarettevõte – me ei ole lihtsalt tarnija, vaid ka tippkvaliteediga ülekandekomponentide ja tööstuslike lahenduste pakkuja ning pöörame suurt tähelepanu uuenduslikele toodetele, nagu SWC kardaanvõlli universaalliigendi ühendus. Alustamisest saadik oleme tegelenud tehnoloogia edendamisega ja globaalsetel turgudel kasvamisega; me ei piirdunud üksikute komponentide müügiga – nüüd loome täissüsteemseid lahendusi, mis sobivad ideaalselt põllumajanduse ja raskeveokite tööstuslike vajadustega. Meie oskusteave ajamivõllide ja jõuülekandetoodete vallas tähendab, et kliendid, kes vajavad valtsimistehase tööks (ja muudeks rasketeks töödeks) usaldusväärset raskeveokite universaalliigendit, võivad meie kui kindla partneri peale loota.
Raydafonis valmistame laias valikus tooteid: käigukastid, veovõllid, hüdrosilindrid, rihmarattad ja isegi täiustatud tööpingid, nagu CNC-treipingid ja freespingid. Meie suure pöördemomendiga universaalliigendi haakeseadised – näiteks SWC-seeria – on loodud vastama selliste tööstusharude rangetele nõudmistele, mis vajavad tõste- ja materjalikäitlusseadmetes vastupidavat SWC kardaanvõlli sidurit. Meil on ka täiustatud rajatised: CNC-töökojad, lihvimis- ja kuumtöötlusmasinad, 3D-mõõteriistad – kõik selleks, et järgida ISO9001/TS16949 standardeid, nii et iga meie valmistatud tööstuslik universaalliigendi ühendus on tippkvaliteetne ja täpne.
Müüme 80% oma toodetest välismaal, sellistele turgudele nagu USA, Saksamaa, Jaapan, Itaalia, Malaisia, Austraalia ja Lähis-Ida. Ja meil on tugev võrgustik sellistes kohtades nagu Hiina, Lõuna-Korea, Ühendkuningriik, Singapur, USA ja Hispaania, et seda toetada. See ülemaailmne haare võimaldab meil luua kohandatud lahendusi, nagu raskeveokite universaalliigendi ühendus SWC – mõeldud raskete masinate universaalliigendi ühendussüsteemide jaoks, mis peavad taluma suuri koormusi ja kestavad kaua.
Innovatsioon ja klientide rõõmustamine on meie prioriteedid. Pakume energiasäästlikke universaalliigendi sidumislahendusi, mis saavutavad kuni 98,6% ülekandetõhususe, vähendades suure võimsusega seadistuste tegevuskulusid. Ükskõik, kas vajate tõhusat universaalliigendit suure jõuülekande jaoks või madala müratasemega universaalliigendit kohtadesse, kus müra on oluline, on meie toodetega kaasas professionaalne müügijärgne teenindus – ja me oleme pühendunud asjade õigele tegemisele. Seetõttu on Raydafon parim valik kõigi teie ülekandevajaduste jaoks.
Aadress
Luotuo tööstuspiirkond, Zhenhai piirkond, Ningbo linn, Hiina
Tel
E-post


+86-574-87168065


Luotuo tööstuspiirkond, Zhenhai piirkond, Ningbo linn, Hiina
Autoriõigus © Raydafon Technology Group Co., piiratud kõik õigused reserveeritud.
Links | Sitemap | RSS | XML | Privaatsuspoliitika |
