QR kood
Tooted
Võta meiega ühendust


Faks
+86-574-87168065

E-post

Aadress
Luotuo tööstuspiirkond, Zhenhai piirkond, Ningbo linn, Hiina
Raydafoni SWC-WD lühike ilma painduva äärikuta universaalne haakeseadis on ehitatud nii, et see liigutab tõhusalt pöördemomenti rasketes masinates – mõelge terasvaltsimisvabrikutele, kraanadele, tõsteseadmetele ja kõigele sellele raskeveokitele. Sellel on kompaktne, mitteteleskoopne ääriku disain, mille keerme läbimõõt on 180–1320 mm. See lühikese äärikuga universaalühendus suudab toime tulla kuni 15-kraadiste nurkade kõrvalekalletega ja kuni 16 000 kN·m pöördemomendiga, nii et isegi kitsastes kohtades, kus pole palju ruumi, tagab see jõuülekande usaldusväärselt. Valmistame selle ülitugevast 35CrMo terasest, millel on laagrikonstruktsioon, mis ei vaja polte – sobib suurepäraselt raskete masinate universaalseadiste ja mitteteleskoopsete universaalsete sidurite jaoks tööstuslikeks rakendusteks. See ei vaja palju hooldust ja kestab igavesti, mis on täpselt see, mida vajate rasketes seadistustes.
Meie tootmine Hiinas järgib ISO 9001 standardeid, nii et SWC-WD universaalne ühendus peab vastu ka karmides tingimustes. Ristvõll on korrosioonikindluse tagamiseks kroomitud, mis suurendab selle tugevust. Selle jäik, keevitatud ääriku konstruktsioon muudab paigaldamise imelihtsaks, eriti metallurgia- ja kaevandusseadmetes, kus aksiaalne liikumine on üsna minimaalne. Saame kohandada suurust vastavalt teie vajadustele, nii et see vastupidav lühike universaalne haakeseadis töötab suurepäraselt kohandatud universaalse haakeseadisena kraanasüsteemide ja muude raskete tööde jaoks. Ja hind on ka konkurentsivõimeline. Raydafoni täpne viimistletud oskus tähendab vähem seisakuid ja töökindlamaid seadmeid – millele võivad tööstusettevõtjad üle maailma loota.
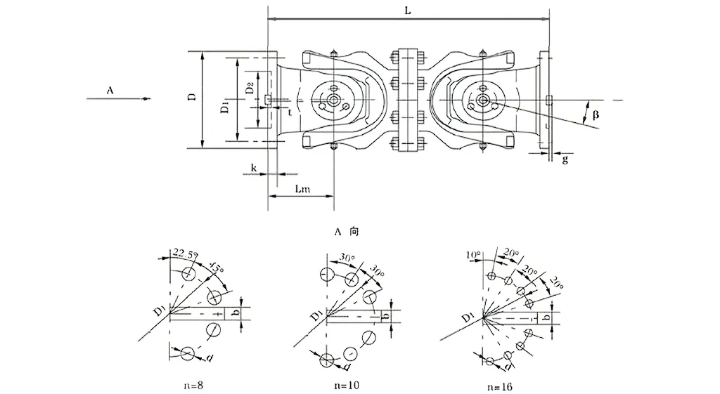
| Ei. | Pööramise läbimõõt D mm | Nominaalne pöördemoment Tn KN·m | Telgede voltimisnurk β (°) | Väsinud pöördemoment Tf KN·m | Suurus (mm) | Kaal (kg) | |||||||||
| Lmin | D1 (js11) | D2 (H7) | Lm | n-d | k | t | b (h9) | g | Lmin | Suurendada 100 mm | |||||
| SWC180WD | 180 | 12.5 | 6.3 | ≤25 | 440 | 155 | 105 | 110 | 8-17 | 17 | 5 | - | - | 0.145 | 52 |
| SWC225WD | 225 | 40 | 20 | ≤15 | 480 | 196 | 135 | 120 | 8-17 | 20 | 5 | 32 | 9.0 | 0.355 | 82 |
| SWC250WD | 250 | 63 | 31.5 | 560 | 218 | 150 | 140 | 8-19 | 25 | 6 | 40 | 12.5 | 0.831 | 127 | |
| Swc285wd | 285 | 90 | 45 | 640 | 245 | 170 | 160 | 8-21 | 27 | 7 | 40 | 15.0 | 1.715 | 189 | |
| SWC315WD | 315 | 125 | 63 | 720 | 280 | 185 | 180 | 10-23 | 32 | 8 | 40 | 15.0 | 2.820 | 270 | |
| SWC350WD | 350 | 180 | 90 | 776 | 310 | 210 | 194 | 10-23 | 35 | 8 | 50 | 16.0 | 4.791 | 370 | |
| SWC390WD | 390 | 250 | 125 | 860 | 345 | 235 | 215 | 10-25 | 40 | 8 | 70 | 18.0 | 8.229 | 524 | |
| Swc440wd | 440 | 355 | 180 | 1040 | 390 | 255 | 260 | 16-28 | 42 | 10 | 80 | 20.0 | 15.320 | 798 | |
| SWC490WD | 490 | 500 | 250 | 1080 | 435 | 275 | 270 | 16-31 | 47 | 12 | 90 | 22.5 | 25.740 | 1055 | |
| SWC550WD | 550 | 710 | 355 | 1220 | 492 | 320 | 305 | 16-31 | 50 | 12 | 100 | 22.5 | 46.780 | 1524 | |
| SWC620WD | 620 | 1000 | 500 | 1360 | 555 | 380 | 340 | 10-38 | 55 | 12 | 100 | 25.0 | 83.760 | 2120 | |
* 1. Tf-vahelduva koormuse all pöördemoment, mis võimaldab vastavalt väsimustugevusele.
Raydafoni SWC universaalliigendi ühendus – mida tavaliselt nimetatakse SWC kardaanvõlli universaalliigendiks – ei ole ainult osa; see on kohustuslik raskeveokite tööstusvaldkondades, nagu valtsimistehased, tõsteseadmed ja kõikvõimalikud rasked rasketehnika seadistused. Suure pöördemomendiga universaalliigendi haakeseadisena teeb see tugeva töö kahe ülekandevõlli ühendamisel, mis ei ole ideaalselt joondatud, tagades võimsuse sujuva edastamise ka siis, kui töötingimused on väga karmid.
Räägime selle põhispetsifikatsioonidest: keerdumise läbimõõt on vahemikus φ58 kuni φ620, nimipöördemoment on vahemikus 0,15 kuni 1000 kN·m ja telje voltimisnurk ei ületa 25°.
See haakeseade töötab kõige paremini kindlates kohtades – näiteks siis, kui vajate valtspingi tööks töökindlat raskeveokite kardaanvõlli sidurit või tõste- ja materjalikäitlusseadmetes vastupidavat SWC kardaanvõlli sidurit. Sellistel juhtudel näitab see oma tugevust: isegi suurte pingete korral hoiab see töö stabiilsena, ilma segaduste ja riketeta.
Raydafoni SWC universaalliigendi ühendusmuhvi ei visata lihtsalt kokku – see on ehitatud nutika ja ajakohase konstruktsiooniga, et see toimiks suurepäraselt ja kestaks kaua tööstuslikus kasutuses. Vaatame läbi, mis muudab selle struktuuri silmapaistvaks.
Esiteks on sellel mõistlik ja turvaline konfiguratsioon: kasutasime selle tööstusliku universaalliigendi haakeseadise jaoks integreeritud kahvlipea konstruktsiooni, mis vähendab riske, nagu poltide lahtitulemine või purunemine. Ainuüksi see näpunäide muudab selle üldiselt 30–50% tugevamaks, nii et see töötab ohutult ja järjepidevalt. Võrreldes tavaliste haakeseadistega, kestab see palju kauem ja väldib tavalisi probleeme kõrge pingega kohtades, nagu raskete masinate universaalliigendi ühendussüsteemid, mida näete rasketes töödes.
Lisaks on olemas selle suurem kandevõime: see SWC raskeveokite universaalliigendi ühendus on loodud taluma suuri raskusi, nii et see on kohustuslik kohtades, kus on vaja tipptasemel koormuse käsitsemist, nagu kaevandusseadmed või ehitusmasinad.
Samuti saavutab see kõrge ülekandeefektiivsuse – kuni 98,6%. Tõhusa universaalliigendiga suure jõuülekande jaoks vähendab see energiakasutust ja sellega kaasnevaid kulusid. Seetõttu on see parim valik energiasäästlike universaalliigendite sidurilahenduste jaoks suure võimsusega tööstuslikes jõuülekandeseadmetes.
Ja see töötab sujuvalt madala müratasemega: ülekanne püsib ühtlasena ja müra jääb tavaliselt vahemikku 30–40 dB(A). See madala müratasemega universaalliigendi ühendus hoiab töö vaikselt, mis sobib suurepäraselt tööstuspiirkondadesse, kus müra on probleem, säilitades samal ajal töökindluse kõrgel tasemel.
⭐⭐⭐⭐⭐ Zhang Wei, Henan Mining Equipment Co., Ltd. peainsener.
Oleme oma kaevandusmasinatele lisanud Raydafoni SWC-WD Short ilma painduva ääriku tüüpi universaalse haakeseadise ja see on ideaalselt sobinud. Selle kompaktne disain on just see, mida vajame kitsastes ruumides, kus pole palju ruumi, ja konstruktsioon on piisavalt vastupidav, et töö oleks stabiilne. Isegi kui see töötab pidevalt rasketes tingimustes, ei vea see haakeseadis meid kunagi alt – ei mingeid rikkeid. Meie hooldusmeeskonnale meeldib, et see vajab vaevu sisseregistreerimist, mis tähendab, et suudame hoida tootmist sujuvalt ilma täiendavate probleemideta.
⭐⭐⭐⭐⭐ Michael Brown, operatsioonide juht, Texas Steel Works, USA
Meie Texase töökoda tellis Raydafonilt SWC-WD Short Without Flex Flange Type Universal Coupling ja ausalt öeldes on kvaliteet meid rabanud. Ühendused on väga hästi töödeldud, nende paigaldamine on käre ja püsivad usaldusväärselt ka koormuse all. Mis mulle kõige rohkem meelde jäi? Kui hästi see tasakaalustab hinda ja jõudlust – seda meeldivat kohta ei leia sageli. Sellist kvaliteeti järjepidevalt pakkuva tarnija leidmine pole lihtne, kuid Raydafon on täiesti tõestanud, et on meie jaoks usaldusväärne partner.
⭐⭐⭐⭐⭐ Anna Müller, hooldusinspektor, Berlin Industrial Solutions, Saksamaa
Panime oma Berliini varustussarja Raydafoni SWC-WD Short Without Flex Flange Type Universal Coupling ja tulemused on olnud suurepärased. Toode ise tundub kaljukindel, keevitamine on täpne – siin pole mingit viletsat tööd – ja siiani on see väga hästi vastu pidanud, näidates tipptasemel vastupidavust. Võrreldes mõne muu kaubamärgiga, mida oleme siin Euroopas kasutanud, on see haakeseadis palju töökindlam ja ka hind on palju konkurentsivõimelisem. Kui teised ettevõtted otsivad töökindlaid universaalseid ühendusi, soovitan kindlasti Raydafoni.
Raydafoni SWC-WD lühike ilma painduva ääriku tüüpi universaalühenduseta – mida sageli nimetatakse ka SWC kardaanvõlli universaalliigendiks – on ehitatud kitsastele tööstuslikele kohtadele, kus ruumi on vähe ja vaja on fikseeritud pikkusega konstruktsiooni (teleskooppikendus puudub). Suure pöördemomendiga universaalliigendi sidurina liigutab see tõhusalt pöördemomenti võllide vahel, mis ei ole joondatud, taludes kuni 25-kraadiseid nurkhälbeid ja püsib töökindel isegi rasketes keskkondades.
Räägime selle põhiomadustest: sellel on kompaktne ja jäik struktuur – see lühike, mittepainduv äärikuseade teeb sellest usaldusväärse raskeveokite universaalliigendi valtspingi operatsioonide jaoks, pakkudes täiendavat stabiilsust seadistustes, kus aksiaalne liikumine on minimaalne. Seetõttu töötab see nii hästi fikseeritud vahemaa ühenduste jaoks rasketes masinates. Lisaks on selle suur kandevõime: me kasutame selle valmistamiseks tugevaid materjale, nagu malm või legeerteras, nii et see on vastupidav SWC kardaanvõlli ühendus tõste- ja materjalikäitlusseadmetes. See talub suuri raskusi ja edastab rohkem pöördemomenti kui teised sama läbimõõduga haakeseadised, mistõttu sobib see suurepäraselt raskete koormuste jaoks kaevandus- või ehitusseadmetes.
See tööstuslik universaalliigendi ühendus kompenseerib väga hästi ka kõrvalekaldeid – olgu see siis nurk-, paralleel- või aksiaalne nihe, see ei sega pöörlemiskiiruse ega pöördemomendi ülekandmist. See tähendab raskete masinate universaalliigendi ühendussüsteemide sujuvat töötamist. Ja see on jõuülekandes tõhus: kuni 98,6% efektiivsusega SWC raskeveokite universaalliigendi ühendus hoiab energiakadu madalal, muutes selle tõhusaks universaalliigendiks suure jõuülekande jaoks suure võimsusega tööstuslikes seadistustes.
Lisaks on see loodud energiat säästma ja vaikselt töötama – kui vajate energiasäästlikke universaalliigendi sidumislahendusi, on see parim valik, mis vähendab tegevuskulusid. Ja see hoiab müra vahemikus 30–40 dB(A), nii et see madala müratasemega universaalliigendi ühendus sobib täpselt tööstuspiirkondadesse, kus müra tekitab muret.
See haakeseadis sobib väga hästi konkreetsetes stsenaariumides – näiteks siis, kui vajate valtspingi tööks töökindlat raskeveokite universaalliigendit või vastupidavat SWC kardaanvõlli sidurit tõste- ja materjalikäitlusseadmetes. Sellistel juhtudel hoiab see isegi äärmusliku koormuse ja piiratud ruumi korral töö stabiilsena, ilma luksumisteta.
Tööstuslike universaalliigendite rakenduste puhul paistab meie SWC-WD variant silma nutika konstruktsiooniga, mis muudab selle paremaks ja kestab kauem. Räägime selle põhistruktuurist: sellel on mõistlik ja turvaline seadistus koos integreeritud kahvlipea konstruktsiooniga – see aitab vabaneda probleemidest, nagu poltide lahtitulemine või purunemine, suurendades üldist tugevust 30–50%. See tähendab, et see töötab ohutult ja usaldusväärselt, kestab kauem kui vanad mudelid ja väldib tavalisi rikkeid kõrge pingega kohtades, näiteks raskete masinate universaalliigendi ühendussüsteemid.
Lisaks talub see palju suuremat koormust – ehitasime selle kandma suuremaid raskusi, nii et see SWC raskeveokite universaalliigendi ühendus on ideaalne kohtadesse, kus on vaja rasket koormust käsitleda, näiteks kaevandus- või ehitusseadmed. Samuti liigutab see võimsust ülitõhusalt, saavutades kuni 98,6% ülekandetõhususe. Tõhusa universaalliigendi sidurina suure jõuülekande jaoks vähendab see energiatarbimist ja sellega kaasnevaid kulusid, muutes selle parimaks valikuks energiasäästlike universaalliigendi ühenduslahenduste jaoks suure võimsusega tööstuslikes ülekandeseadmetes.
Ja see töötab sujuvalt ja peaaegu igasuguse mürata – edastus püsib ühtlasena ja müra jääb tavaliselt vahemikku 30–40 dB(A). See madala müratasemega universaalliigendi ühendus hoiab töö vaikselt, mis sobib suurepäraselt tööstuspiirkondadesse, kus müra on probleem, säilitades samal ajal töökindluse kõrgel tasemel.
Raydafon ei ole lihtsalt järjekordne nimi jõuülekande osades – me oleme juhtiv suure jõudlusega jõuülekandekomponentide ja tööstusmasinate lahenduste tootja ja tarnija ning oleme keskendunud sellistele toodetele nagu SWC kardaanvõlli universaalliigendi sidur. Alustasime, et olla kursis ülemaailmsete tööstusharude arenguga, ja aja jooksul oleme välja ehitanud täieliku valiku: käigukastid, veovõllid, hüdrosilindrid, rihmarattad, täppistööpingid – kõik on loodud selleks, et parandada põllumajanduse ja raskeveokite sektorite toimimist. Oleme innovatsioonis suured, mistõttu suudame pakkuda valtspingi operatsioonide jaoks usaldusväärset raskeveokite universaalliigendit, mis sobib ilma tõrgeteta ka kõige keerukamatesse süsteemidesse.
Ka meie rajatised on tipptasemel – meil on CNC-töökojad, lihvimis- ja kuumtöötlusseadmed ning täiustatud 3D-mõõtmissüsteemid. Peame kinni rangetest kvaliteedistandarditest, nagu ISO9001/TS16949, ja see seadistus võimaldab meil luua suure pöördemomendiga universaalliigendi haakeseadise lahendusi, mis liigutavad pöördemomenti suurepäraselt ja käsitlevad valesid joondusi nagu professionaal. Võtke näiteks meie vastupidav SWC kardaanvõlli ühendus tõste- ja materjalikäitlusseadmetes – see on loodud kohtadesse, kus on vaja tugevat kandevõimet. Ja meie tööstuslik universaalliigendi ühendusliin? See hõlmab igasuguseid kasutusviise, kus täpsus ja vastupidavus on kõige olulisemad.
80 protsenti meie toodangust eksporditakse – saadetakse sellistesse kohtadesse nagu USA, Saksamaa, Jaapan, Itaalia, Malaisia, Austraalia ja Lähis-Ida. Meil on tugevad võrgustikud ka Hiinas, Lõuna-Koreas, Ühendkuningriigis, Singapuris, USA-s ja Hispaanias, seega oleme ülemaailmselt kindlad. See haardeulatus võimaldab meil pakkuda kohandatud SWC raskeveokite universaalliigendi haakeseadise valikuid, mis on kohandatud täpselt klientide vajadustele, näiteks raskemasinate universaalliigendi ühendussüsteemides, kus stabiilne püsimine äärmuslike koormuste korral on vaieldamatu.
Me hoolime jätkusuutlikkusest ja lahenduste loomisest, mis seavad kliendid esikohale. Seetõttu töötame välja energiasäästlikke universaalliigendi sidumislahendusi, mis saavutavad kuni 98,6% ülekandetõhususe, vähendades energiatarbimist suure võimsusega seadistustes. Ükskõik, kas vajate tõhusat universaalliigendit suure jõuülekande jaoks või madala müratasemega universaalliigendit tööstuslikes kohtades, kus müra on probleem, on meie toodetel täielik müügijärgne teenindus. Nii oleme saanud ülekandetööstuses usaldusväärseks partneriks – me mitte ainult ei müü osi, vaid varundame neid.
Aadress
Luotuo tööstuspiirkond, Zhenhai piirkond, Ningbo linn, Hiina
Tel
E-post


+86-574-87168065


Luotuo tööstuspiirkond, Zhenhai piirkond, Ningbo linn, Hiina
Autoriõigus © Raydafon Technology Group Co., piiratud kõik õigused reserveeritud.
Links | Sitemap | RSS | XML | Privaatsuspoliitika |
