QR kood
Tooted
Võta meiega ühendust


Faks
+86-574-87168065

E-post

Aadress
Luotuo tööstuspiirkond, Zhenhai piirkond, Ningbo linn, Hiina
Kui teie rasketehnika – mõelge kogu päeva koormaid vedavatele ehitusseadmetele või istutushooajal katkematult töötavatele põllumajanduslikele kombainidele – vajab liitmikku, mis sobiks kitsastesse kohtadesse, kuid tagaks siiski suure pöördemomendi, on Raydafoni SWP-G super lühike painduv universaalliigendi ühendus just see, mida otsite. See on loodud spetsiaalselt nende kompaktsete seadistuste jaoks, kus iga toll loeb, ilma vajaliku võimsusega koonerdamata.
Esiteks, räägime selle suurusest: see ülilühike disain ei ole lihtsalt silt – see on loodud suruma kitsastesse kohtadesse, kuhu teised haakeseadised ei ulatu, mis on elupäästja, kui teie masina komponendid on pakitud lähestikku. Selle keerme läbimõõt on vahemikus 225 mm kuni 350 mm, nii et see sobib keskmise suurusega raskeseadmete seadistustega. Lühikese painduva universaalliigendi haakeseadisena talub see kuni 5-kraadist nurganihet – piisav, et võtta arvesse masina raske töötamise ajal toimuvaid väikseid nihkeid, kandes samal ajal pöördemomenti kuni 224 kN·m. Ja sellel on sisseehitatud painduv element, mis neelab põrutusi ja vibratsiooni, nii et teie muud osad ei võtaks kulumisest suuremat osa.
Me ei kärpinud ka materjalide osas nurki. See on valmistatud vastupidavust tagavast ülitugevast terasest ja pronkskomponentidest, mis lisavad selle liikumisele sujuvust – nii et see peab vastu ehitusplatside ebatasasusele või talupõldude tolmule ja prahile. Seetõttu on see parim valik raskete masinate universaalliigenditele; see ei tööta ainult üks kord – see jätkub, isegi kui tingimused muutuvad segaseks. Põllumeeste jaoks on see ka usaldusväärne paindlik ühendus põllumajandusseadmete jaoks, mis on piisavalt vastupidav, et saada hakkama saagikoristushooaja pikkade tundidega, ilma et see laguneks.
Raydafoni tootmine Hiinas järgib rangelt ISO 9001 standardeid – iga SWP-G siduri kvaliteeti kontrollitakse, alates kasutatavast terasest kuni painduva elemendi sobivuseni. Me teame, et kaks tööd pole ühesugused, seega pakume ka kohandatud lahendusi – olenemata sellest, kas vajate suurust pisut või oma seadme jaoks konkreetset kohandamist. Ja mis kõige parem, selle hind on konkurentsivõimeline – saate vastupidava universaalliigendi, mis sobib teie ruumi ja eelarvega. Kõigile, kes on tüdinud liiga suurtest, liiga nõrkadest või liiga kallitest ühendustest, on see SWP-G mudel lihtne ja suure jõudlusega lahendus, mida olete otsinud.
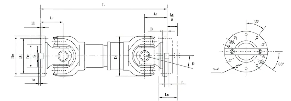
| Mudel | SWP225G | Partii 250g | SWP285G | SWP315G | SWP350G | |
| D | 225 | 250 | 285 | 315 | 350 | |
| Tn kn.m | 56 | 80 | 112 | 160 | 224 | |
| Tf KN.m | 28 | 40 | 56 | 80 | 112 | |
| β≤ | 5° | 5° | 5° | 5° | 5° | |
| Suurus (mm) | S | 40 | 40 | 40 | 40 | 50 |
| L | 470 | 600 | 665 | 740 | 850 | |
| D | 275 | 305 | 348 | 360 | 405 | |
| D1 | 248 | 275 | 314 | 328 | 370 | |
| D2(H7) | 135 | 150 | 170 | 185 | 210 | |
| E | 15 | 15 | 18 | 18 | 22 | |
| E1 | 5 | 5 | 7 | 7 | 8 | |
| b-h | 32-18 | 40-18 | 40-24 | 40-24 | 50-32 | |
| h1 | 9 | 9 | 12 | 12 | 16 | |
| L1 | 80 | 100 | 120 | 135 | 150 | |
| n-d | 10-15 | 10-17 | 10-19 | 10-19 | 10-21 | |
| M(kg) | 78 | 142 | 190 | 260 | 355 | |
* Märkus: märgistusnäited: keerme läbimõõt D=315mm, osa pikkus L=620mm, G-tüüp-Lühike ilma paindeta SWP315GX620 ühendus
Raydafoni SWP-G Super Short Flex tüüpi universaalliigendi ühendus on loodud kitsastele kohtadele, kus vajate nii paindlikkust kui ka jõudu. See on loodud liikuma tõhusalt pöördemomenti kohtades, kus pole ruumi suuremahuliste osade jaoks, isegi kui võllid ei ole ideaalselt joondatud. See ei ole lihtsalt ükskõik milline ühendus – see on suure pöördemomendiga universaalliigendi ühendus, mis särab, kui vajate lühikest pikkust, kuid keeldub jõudlusest koonerdamast isegi suure koormuse korral.
Võtke näiteks ehitustehnika ja rasketehnika. Tugevasse pinnasesse kaevavad ekskavaatorid, tonnide viisi materjali liigutavad laadurid – neil kõigil on kitsad ruumid, kus osad hõõruvad üksteise lähedal. SWP-G sobib täpselt tööstuslike masinate töökindla universaalliigendiga, mis neelab vibratsiooni ja talub pidevat liikumist, millega need masinad kokku puutuvad. Selle ülilühike disain libiseb ilma probleemideta kitsastesse sõlmedesse, tagades, et võimsus jõuab sinna, kuhu vaja, ilma vastupidavust või selle toimivust ohverdamata.
Ka põllumehed hindavad seda. Ebatasastel põldudel kündvad traktorid, ebatasasel maastikul töötavad kombainid – need vajavad haakeseadmeid, mis suudavad konarliku sõidu ja muutuva kiirusega sammu pidada. See SWP-G toimib tugeva universaalliigendi ühenduslülina põllumajandusseadmete veovõllidele, kohandudes maastikul töötavate nurkade kõrvalekalletega. See tähendab masinate väiksemat kulumist, nii et see kestab kauem isegi karmide tingimuste korral.
Ka mereseade armastab seda, eriti paatide kitsastes mootoriruumides. Mereveel ja niiskusel ei ole selle korrosioonikindla konstruktsiooni vastu mingeid võimalusi, mistõttu on see mere universaalliigendi ühenduseks parim valik. See talub lainete ja jõusüsteemide tõuke dünaamilisi koormusi, hoides asjad sujuvalt nii merel kui ka tihedas sadamas.
Ja ärgem unustagem taastuvenergiat – kõrgel pöörlevad tuuleturbiinid, päikesejälgijad, mis liiguvad koos päikesega. Need süsteemid vajavad täpset juhtimist piiratud ruumides ja SWP-G muutub taastuvenergia seadmete mitmekülgseks universaalliigendiks. See juhib suurt pöördemomenti ilma suurema tagasilöögita, nii et saavutate usaldusväärse jõudluse ja vähese hooldusvajadusega – ideaalne säästvate energiasüsteemide töös hoidmiseks.
Raydafonis ei müü me ainult SWP-G-d, vaid kohandame selle vastavalt teie vajadustele. Olenemata sellest, kas töötate ehitusvarustuse, põllumajandusmasinate, paatide või taastuvenergia seadistustega, saame selle kohandada nii, et see sobiks täpselt teie ehitatavaga. Kui soovite näha, kuidas see sidumine teie toimingud sujuvamaks muudab, võtke meie meeskonnaga ühendust. Näitame teile, miks see on nutikas valik kitsastes kohtades ja rasketes töödes.
Raydafoni SWP-G Super Short Flex tüüpi universaalliigendi ühendusliist paistab esmalt silma oma kompaktse ehituse poolest – see asi on loodud sobima kitsastesse mehaanilistesse seadistustesse, kus ruumi on vähe, kuid see ei säästa kunagi paindlikkuse ega pöördemomendiga. Kui tegelete suure pöördemomendiga töödega, on see tipptasemel suure pöördemomendiga universaalliigendi ühendus: sellel on täiustatud painduvad elemendid, mis võimaldavad tal toime tulla üsna suurte nurkade kõrvalekalletega ilma jõudlust segamata, mis on dünaamilistes keskkondades, kus võllid masinate töötamise ajal nihkuvad.
Vastupidavus on siin veel üks suur võit. Kasutame sitkeid, ülitugevaid materjale ja ehitame iga osa täpselt, nii et see peab kulumisele ja väsima isegi siis, kui see töötab pidevalt. See teeb sellest tugeva universaalliigendi tööstusmasinate jaoks – mõelge kogu päeva töötavatele pumpadele või pideva koormuse all olevatele kompressoritele. See summutab põrutusi ja vibratsiooni, hoides jõuülekande ühtlasena, et teie varustus ei võtaks asjatut koormust.
Selle ülilühike pikkus on elupäästja ka ajamisüsteemide jaoks. Kui töötate autotööstuse või transpordiga seotud seadistustega, on iga toll oluline – ja see haakeseade sobib veovõllide tõhusa universaalliigendiga. See kasutab polt- või võtmega ühendusi, nii et selle kinnitamine on kiire ja vähendab hiljem hooldusele kuluvat aega. Lisaks saab see hästi hakkama aksiaalsete liikumistega, nii et te ei pea muretsema selle libisemise või valesti paigaldamise pärast, kuna osad kasutamise ajal nihkuvad.
Korrosioonikindlus? See on kaetud. Lisame kaitsekatteid, mis peavad vastu karmidele asjadele, näiteks mereveele. Sellepärast toimib see suurepäraselt laeva universaalliigendi ühendusena tõukejõusüsteemidele: see saab hakkama soolapihustusega ja muutuva merekoormusega ilma roosteta või purunemata, hoides paadid sujuvana.
Ja kui olete keskendunud keskkonnasõbralikele seadistustele, sobib see ühendus ka seal. See edastab energiat täpselt ja peaaegu igasuguse tagasilöögiga, nii et see ei raiska energiat. See muudab selle taastuvenergiaseadmete jaoks usaldusväärseks universaalliigendiks – ideaalne tuuleturbiinide või päikesega koos liikuvate päikesejälgijate jaoks. See hoiab need säästvad süsteemid tõhusalt töös, mis on just see, mida vajate rohelise energia projektide jaoks.
Raydafonis hoolitseme selle eest, et iga SWP-G vastaks rangetele kvaliteedistandarditele ja me saame seda kohandada vastavalt teie konkreetsetele vajadustele – olenemata sellest, kas vajate teistsugust katet, veidi kohandatud pikkust või kohandatud ühendust. Kui soovite rohkem teada selle spetsifikatsioonide või selle seadistusse integreerimise kohta, rääkige lihtsalt meie spetsialistidega. Aitame teil saada täpselt seda, mida teie masinad nõuavad.
⭐⭐⭐⭐⭐ Li Jian, vaneminsener, Shanghai Industrial Equipment Co., Ltd.
Meie tootmisliinil on olnud Raydafoni SWP-G Super Short Flex Type universaalliigendi ühendus juba paar kuud ja see on ausalt öeldes ületanud seda, mida lootsime. Meie masinatel on alati olnud vähe ruumi – iga toll on oluline – ja selle haakeseadise kompaktne disain sobib nii, nagu see oleks just nende jaoks loodud, ruumi tegemiseks pole vaja enam osi pigistada. Kuid see ei koonerda ka funktsionaalsusega: isegi kui esineb väikesi joondusvigu (mis on tiheda kasutamise korral vältimatu), hoiab selle paindlikkus jõuülekande sujuvana, ilma põrutuste ja luksumisteta.
See on ka raske – saab suure pöördemomendiga ülesannetega hakkama ilma higistamata ja pärast kuudepikkust jooksmist pole me peaaegu üldse kulumist näinud. Paigaldamine oli ka kiire töö; meie meeskond pani selle kiiresti valmis ja sellest ajast peale on see töökindel olnud. Kõigile, kellel on piiratud ruumiline varustus ja mis vajab endiselt rasket jõudlust, on see haakeseade muretu.
⭐⭐⭐⭐⭐ Emily Walker, tehniline direktor, New York Manufacturing Solutions, USA
Vahetasime oma vanad mahukad ühendused Raydafoni SWP-G vastu oma New Yorgi rajatises ja erinevus oli ilmne juba esimesest päevast peale. Need vanad seadmed võtsid liiga palju ruumi ja tundusid alati kohmakad – aga see sobib kitsastesse kohtadesse ja jõuülekandesse? Sujuv ja stabiilne isegi siis, kui surume masinaid suure koormuse vastu.
Suurim võit on aga seisakud. Varem peatasime tootmise iga paari nädala tagant, et vanu ühendusi näpistada või parandada, aga selle puhul? Vaevalt üldse. Ka hoolduskulud on langenud – pole sagedasemaid osade vahetusi ega avariiremonti. Ja kui meil tekkis installimise kohta küsimus, pöördus Raydafoni klienditeenindus meiega kiiresti ja selgete vastustega. Plaanime juba nende tooteid järgmise versiooniuuenduse jaoks kasutada. nad on teeninud meie usalduse.
⭐⭐⭐⭐⭐ Andrea Rossi, operatiivjuht, Milan Engineering, Itaalia
Raydafoni SWP-G haakeseadise lisamine meie Milano masinatesse oli üks parimaid üleskutseid, mille oleme oma ülitäpse töö jaoks teinud. Meie töövaldkonnas on ruumi ja joondusega tegemist – kui osa on liiga suur või ei saa hakkama väikeste joondamisvigadega, ajab see kogu protsessi kõrvale. See haakeseadis kontrollib mõlemat kasti: selle väiksus sobib meie kitsa seadistusega ja paindlik disain hoiab toimingud sujuvalt, olenemata väikestest muudatustest.
Pärast selle paigaldamist on meil olnud palju vähem hooldusega seotud peavalusid – pole vaja enam tootmist peatada joondusprobleemide lahendamiseks või kulunud osade vahetamiseks. Ja kui sõidame sellega suurel kiirusel (mida teeme iga päev), peab see suurepäraselt vastu. Vastupidavuse mõttes ületab see ka seda, mida me ootasime – pärast kuudepikkust intensiivset kasutamist näeb see endiselt välja ja toimib nagu uus. Kui vajate täppistööks kvaliteetset sidurit, on Raydafon õige tee.
⭐⭐⭐⭐⭐ Jean-Claude Lefevre, hooldusjuht, Lyon Mechanical Works, Prantsusmaa
Oleme oma masinates kasutanud Raydafoni SWP-G ühendust juba üle kuue kuu ja see on meie meeskonna jaoks muutnud. Esiteks kompaktne disain – meie seadmetel on nii kitsad ruumid ja see ühendus libiseb otse sisse, ilma et peaksime teisi osi ümber paigutama. Siis on olemas paindlikkus: see võtab meie masinatelt pinge maha, mis tähendab vähem muude komponentide kulumist ja vähem rikkeid.
Isegi kui sõidame suure koormuse korral, püsib selle jõudlus ühtlane – ei mingeid langusi ega veidraid helisid, lihtsalt töökindel. Paigaldamine oli samuti lihtne; meie tehnikud ei pidanud kulutama tunde selle väljamõtlemiseks. Parim osa? Tänu väiksemale seisakuajale on meie tootmisliini efektiivsus nüüd palju suurem. Me jätkame kindlasti Raydafoni toodete kasutamist – see ühendus on tõestanud, et see on seda väärt.
Raydafoni SWP-G Super Short Flex tüüpi universaalliigendi ühendusseade töötab paindliku pöördemomendi ülekandmise abil – mõelge sellele kui sillale võllide vahel, mis võib ühendust katkestamata veidi liikuda. See kasutab elastomeerseid elemente (painduvate, kummitaoliste osade jaoks mõeldud) valede joonduste käsitlemiseks, tagades samal ajal, et võimsus jõuab ühelt võllilt teisele ilma energiat raiskamata. Kompaktse suure pöördemomendiga universaalliigendi sidurina on sellel keskne painduv ketas või ämblik, mis neelab nurgelisi, aksiaalseid ja radiaalseid nihkeid – nii et isegi siis, kui võllid pole ideaalselt joondatud, püsib pöörlemine sujuv isegi kitsastes kohtades, kus iga toll loeb.
Selle toimimise tuum on selle ülilühikeses disainis. See ühendab endas tugevad ja painduvad komponendid, mis võivad koormuse all veidi painduda, et korvata nihked, mis hoiab ära liigse stressi sattumise teie masinatesse. Sellepärast on see nii tugev universaalliigendi ühendus tööstusmasinate jaoks – olenemata sellest, kas kiirus või koormus muutub, annab see pöörlemisjõu läbi peaaegu igasuguse tagasilöögiga, nii et teie varustus püsib stabiilsena.
Jaotus on järgmine: sisendvõll pöörleb, mis liigutab painduvat elementi ja see element kannab seejärel pöördemomendi üle väljundvõllile, paindudes täpselt piisavalt – ilma tõmblusteta ega äkiliste peatumisteta. See on veovõllide jaoks suur asi, muutes selle töökindlaks universaalliigendiks veovõllitele sellistes seadistustes nagu autode jõuülekanded, kus vajate täpset joondust, kuid millel pole palju tööruumi.
Kui asjad muutuvad karmiks – näiteks merekeskkonnas, kus lained paati ümber viskavad –, neelab SWP-G painduv disain vibratsiooni ja lööke, mis aitab sellel kauem vastu pidada. See on karm universaalliigendi ühendus, kuna need painduvad osad on korrosioonikindlad ja saavad hakkama lainete edasi-tagasi liikumisega, hoides tõukejõu tõhusana, olenemata sellest, kui segane vesi muutub.
Ja rohelise energia seadistuste jaoks? See põhimõte paistab ka seal. See liigutab energiat tõhusalt ja ilma kadudeta, muutes selle suurepäraseks universaalliigendiks taastuvenergiaseadmete jaoks. Olenemata sellest, kas see on kompaktsetes päikesejälgijates või väikestes tuuleturbiinides, hoiab see asjad sujuvalt ilma energiat raiskamata – ideaalne jätkusuutlike süsteemide jaoks, kus iga tõhusus loeb.
Raydafonis ehitame SWP-G nii, et see oleks usaldusväärne ja valmis vastama teie konkreetsetele vajadustele. Kui soovite tehnilisi üksikasju või vajate abi, et välja selgitada, kuidas see teie seadistusse sobib, on meie spetsialistid valmis teid juhendama – ilma kõnepruugita, vaid otsekohesed vastused.
Aadress
Luotuo tööstuspiirkond, Zhenhai piirkond, Ningbo linn, Hiina
Tel
E-post


+86-574-87168065


Luotuo tööstuspiirkond, Zhenhai piirkond, Ningbo linn, Hiina
Autoriõigus © Raydafon Technology Group Co., piiratud kõik õigused reserveeritud.
Links | Sitemap | RSS | XML | Privaatsuspoliitika |
